Запчасти John Deere 90B 13 - SWING MOTOR 40 - MAIN FRAME AND UNDERCARRIAGE

Схема запчастей John Deere 90B - 13 - SWING MOTOR 40 - MAIN FRAME AND UNDERCARRIAGE
FIT
1:1
100%

Артикул

Название

Примечание

Количество

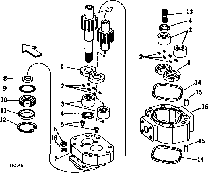
1

T42532

PLATE

2шт.

2

T42531

ISOLATOR

(A)

4шт.

3

T42535

CYLINDRICAL ROLLER BEARING

4шт.

4

T42534

WEAR RING

(A)

2шт.

5

AT41495

CHECK VALVE

2шт.

6

14H1040

NUT

1/2", (SUB FOR 14H809)

4шт.

7

END

( T42543 NO LONGER AVAILABLE)

1шт.

8

T42539

SEAL

(A)

1шт.

9

T42540

O-RING

(A)

1шт.

10

T42541

RETAINER

1шт.

11

T42538

SPACER

1шт.

12

N71921

SNAP RING

(SUB FOR T42542)

1шт.

13

T42529

SHAFT

1шт.

14

T42530

WASHER

(A)

2шт.

15

T42525

DOWEL PIN

4шт.

16

T42533

HOUSING

GEAR

1шт.

17

AT41494

GEAR

1шт.

18

24H1341

WASHER

17/32" X 15/16" X 0.060"

4шт.

AT41492

SEAL KIT

MOTOR INCLUDES ALL PARTS IDENTIFIED BY (A) ON THIS PAGE AND PAGE 40-8

1шт.

AT39777

HYDRAULIC MOTOR

1шт.

Выбрано товаров: 20