Запчасти John Deere 90B 17 - TRACK DRIVE MOTOR 45 - TRACK AND PLANETARY DRIVE

Схема запчастей John Deere 90B - 17 - TRACK DRIVE MOTOR 45 - TRACK AND PLANETARY DRIVE
FIT
1:1
100%

Артикул

Название

Примечание

Количество

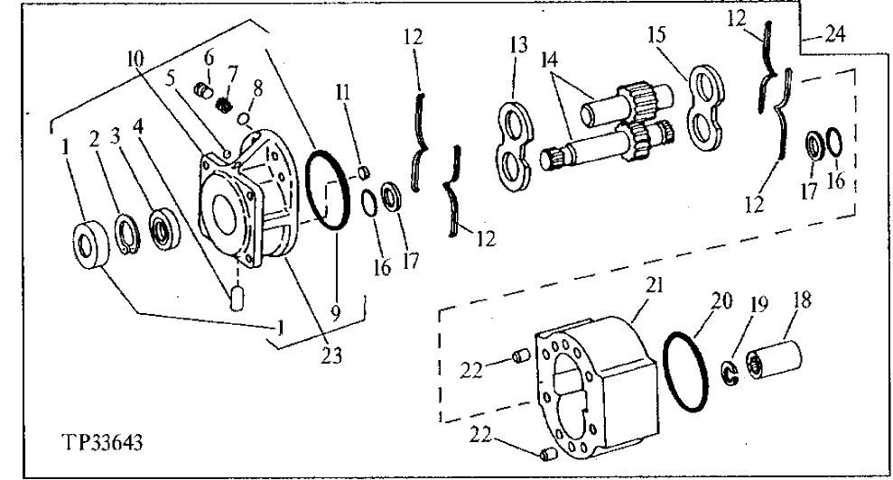
1

T42737

SEAL

1шт.

2

N51168

SNAP RING

1шт.

3

T74339

SEAL

1шт.

4

T74352

PRESSURE RELIEF VALVE

0.250 HOLE DIAMETER

1шт.

T78423

PLUG

0.187 HOLE DIAMETER

1шт.

5

400R

BALL

1шт.

6

T78422

ORIFICE

2шт.

7

T78424

COMPRESSION SPRING

2шт.

8

D2361R

BALL

2шт.

9

T61267

O-RING

(USE WHEN O-RING LESS THAN 1.52 MM (.06") DEEP)

1шт.

T60657

O-RING

(USE WHEN O-RING MORE THAN 1.52 MM (.06") DEEP)

1шт.

10

AT77816

FLANGE

1шт.

11

T48992

PIN

2шт.

12

T46532

ISOLATOR

4шт.

13

T103311

PLATE

1шт.

14

GEAR

1шт.

15

T103312

PLATE

1шт.

16

T61327

O-RING

4шт.

17

T61326

BACK-UP RING

4шт.

18

T42740

SPLINED COUPLING

1шт.

19

T23694

SNAP RING

1шт.

20

T42742

O-RING

1шт.

21

HOUSING

1шт.

22

U44854

DOWEL PIN

4шт.

23

AT41670

SEAL KIT

1шт.

24

AT105351

KIT

1шт.

Выбрано товаров: 26