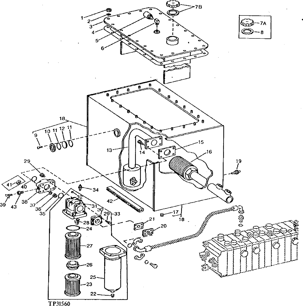
Запчасти John Deere 90B 32 - OIL RESERVOIR 60 - HYDRAULIC SYSTEM

Схема запчастей John Deere 90B - 32 - OIL RESERVOIR 60 - HYDRAULIC SYSTEM
FIT
1:1
100%

Артикул

Название

Примечание

Количество

1

14H812

NUT

3/8"

22шт.

2

24H1308

WASHER

13/32" X 1" X 0.134"

22шт.

3

AT60457

COVER

1шт.

4

T63697

GASKET

1шт.

5

AT60456

PRESSURE RELIEF VALVE

1шт.

6

15H621

ELBOW FITTING

(SUB FOR T47235) 90°

1шт.

7A

T50842

FILLER CAP

(SUB AT65412, THIS APPLICATION)

1шт.

7B

AT65412

CAP

1шт.

8

T103461

SEALING WASHER

(SUB FOR T25551)

1шт.

9

21H1300

SCREW

0.190" X 3/8"

4шт.

10

U13551

WASHER

1шт.

11

U10289

O-RING

2шт.

12

U13425

WINDOWPANE

1шт.

13

AT60458

DIFFUSER

1шт.

14

19H2965

CAP SCREW

1/2" X 3-1/2"

4шт.

15

T63699

GASKET

1шт.

16

AT32408

FILTER

1шт.

17

U17027

FITTING

1шт.

18

AT60455

RESERVOIR

(SUB FOR U12331)

1шт.

19

AT37368

SENDER

TEMPERATURE, (SUB FOR AT28163, THIS APPLICATION)

1шт.

20

T70291

PLATE

1шт.

21

U45160

GASKET

1шт.

22

15H623

PIPE PLUG

SQ. HD., 3/8"

1шт.

23

AT71582

FILTER ELEMENT

(SUB FOR AT45810, THIS APPLICATION)

1шт.

24

R34733

WASHER

1шт.

25

T47241

HOUSING

1шт.

26

T47242

SLEEVE

1шт.

27

AT71583

FILTER ELEMENT

(SUB FOR AT45811, THIS APPLICATION)

1шт.

28

19H2735

CAP SCREW

1/2" X 2"

4шт.

29

19H3053

SCREW

5/16" X 1"

4шт.

30

T63702

ADAPTER FITTING

1шт.

31

AT45809

CAP

1шт.

32

15H558

PIPE PLUG

HEX. CTSK., 1/8"

1шт.

33

AT60459

FILTER

1шт.

34

AU43217

SWITCH

1шт.

35

T42777

SEALING WASHER

(SUB FOR M4237T, THIS APPLICATION)

1шт.

36

14H1040

NUT

1/2"

4шт.

37

12H301

LOCK WASHER

1/2"

4шт.

38

T66812

JUNCTION BLOCK

1шт.

39

AT13740

DRAIN VALVE

1шт.

40

R86192

O-RING

(SUB FOR U12331)

1шт.

41

14H826

NUT

1/2"

2шт.

42

ISOLATOR

102 MM (4") LONG (MAKE FROM R41358)

1шт.

43

ADAPTER FITTING

( T61925 USE IF AVAILABLE)

1шт.

Выбрано товаров: 0