Запчасти John Deere 90B 23 - THREE-SPEED MOTOR RESISTOR 75 - CAB

Схема запчастей John Deere 90B - 23 - THREE-SPEED MOTOR RESISTOR 75 - CAB
FIT
1:1
100%

Артикул

Название

Примечание

Количество

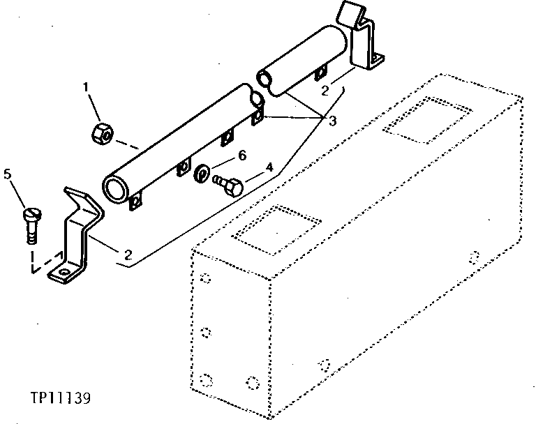
1

14H605

NUT

0.164"

4шт.

2

T59025

BRACKET

2шт.

BRACKET

(SUB AT56695)

1шт.

3

AT56695

RESISTOR

1шт.

4

21H1299

SCREW

MACH., NO. 8 X 3/8"

4шт.

5

37H20

SCREW

DRIVE, NO. 8 X 3/8"

2шт.

6

12M7084

LOCK WASHER

4.300 MM

4шт.

Выбрано товаров: 7