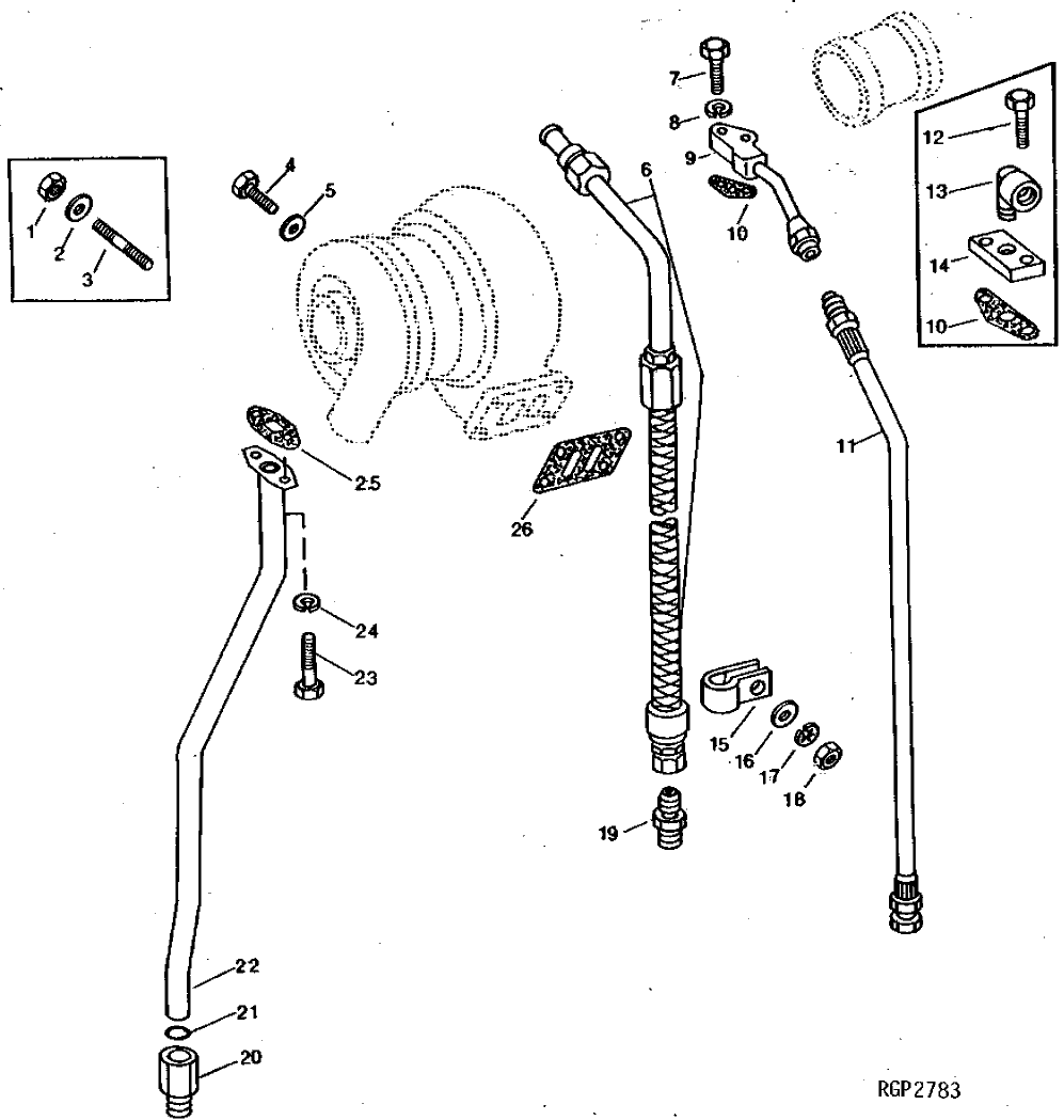
Запчасти John Deere 90B 2 - TURBOCHARGER OIL LINES 15 - INTAKE AND EXHAUST SYSTEM

Схема запчастей John Deere 90B - 2 - TURBOCHARGER OIL LINES 15 - INTAKE AND EXHAUST SYSTEM
FIT
1:1
100%

Артикул

Название

Примечание

Количество

1

E55662

FLANGE NUT

4шт.

2

24M7096

WASHER

0.413" X 0.709" X 0.063"

4шт.

3

R55078

STUD

(SUB R54500 AND 24H1305, THIS APPLICATION)

4шт.

4

R54500

SCREW

4шт.

5

24H1305

WASHER

13/32" X 13/16" X 0.065"

4шт.

6

RE20230

OIL LINE

1шт.

7

19H3552

CAP SCREW

5/16" X 1-1/2"

2шт.

8

12H303

LOCK WASHER

5/16"

2шт.

9

AR61590

OIL LINE

1шт.

10

R97348

GASKET

(SUB FOR R43413)

1шт.

11

AR54576

OIL LINE

(SUB AR76424 AND R62239)

1шт.

AR76424

HYDRAULIC HOSE

1шт.

12

19H1905

CAP SCREW

5/16" X 1", (USE WITH RE20230)

2шт.

13

T11180

ELBOW FITTING

(USE WITH RE20230)

1шт.

14

R79723

STRAP

(SUB AR61590, R97348 AND AR76424, THIS APPLICATION)

1шт.

15

AH80916

CLIP

1шт.

16

24H753

WASHER

9/32" X 5/8" X 0.049"

1шт.

17

12H297

LOCK WASHER

1/4"

1шт.

18

14H786

NUT

1/4"

1шт.

19

R52775

FITTING

1шт.

R62239

FITTING

1шт.

20

R41285

ADAPTER FITTING

1шт.

21

R72328

O-RING

(SUB FOR R43780)

1шт.

22

AR73815

OIL LINE

1шт.

23

19H2284

CAP SCREW

3/8" X 7/8"

2шт.

24

12H304

LOCK WASHER

3/8"

2шт.

25

R105346

GASKET

(SUB FOR R43416 OR R97349)

1шт.

26

R43751

GASKET

1шт.

Выбрано товаров: 28