Запчасти John Deere 90C 4 - ENGINE OIL PUMP (EARLY DESIGN CRANKSHAFT DRIVEN) 407 - ENGINE 4

Схема запчастей John Deere 90C - 4 - ENGINE OIL PUMP (EARLY DESIGN CRANKSHAFT DRIVEN) 407 - ENGINE 4
FIT
1:1
100%

Артикул

Название

Примечание

Количество

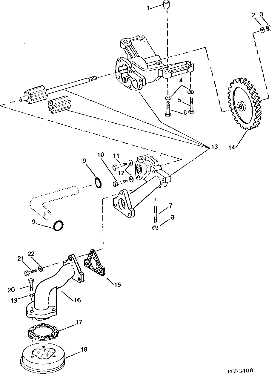
1

R500642

BUSHING

(SUB FOR R62930, THIS APPLICATION)

2шт.

2

T21242

WASHER

1шт.

3

14H826

NUT

1/2", (SUB FOR R79187)

1шт.

4

R57696

WASHER

4шт.

5

19H3219

CAP SCREW

3/8" X 1-3/8"

2шт.

6

19H2549

CAP SCREW

3/8" X 1-7/8"

2шт.

7

22H1040

SET SCREW

5/16" X 1-1/4"

1шт.

8

14H785

NUT

5/16"

1шт.

9

R71732

O-RING

2шт.

10

19H2733

CAP SCREW

3/8" X 2-3/8"

2шт.

11

19H1765

CAP SCREW

3/8" X 1-3/4"

3шт.

12

M72490

WASHER

(SUB FOR R70234 OR R42729)

5шт.

13

AR99344

OIL PUMP

(A) (MARKED R62946 OR R124328) (SUB SE501063 AND RE523808) (SUB FOR AR96193)

1шт.

RE507076

OIL PUMP

(MARKED R504028) (SUB SE500877)

1шт.

SE501063

OIL PUMP

(REMANUFACTURED) (USE WITH R62946 OR R124328)

1шт.

SE500877

OIL PUMP

(REMANUFACTURED) (USE WITH R504028)

1шт.

14

R62938

GEAR

1шт.

15

R71312

GASKET

1шт.

16

R79864

ELBOW FITTING

(USE WITH AR99344 OR AR96193)

1шт.

17

R52049

GASKET

1шт.

18

AR56639

OIL PUMP INTAKE

1шт.

19

12H303

LOCK WASHER

5/16"

3шт.

20

19H1905

CAP SCREW

5/16" X 1"

3шт.

21

19H1732

CAP SCREW

3/8" X 1-1/4"

3шт.

22

M72490

WASHER

(SUB FOR R70234 OR R42729)

3шт.

Выбрано товаров: 25