Запчасти John Deere 90C 6 - ENGINE OIL COOLER BYPASS VALVE AND HOUSING 407 - ENGINE 4

Схема запчастей John Deere 90C - 6 - ENGINE OIL COOLER BYPASS VALVE AND HOUSING 407 - ENGINE 4
FIT
1:1
100%

Артикул

Название

Примечание

Количество

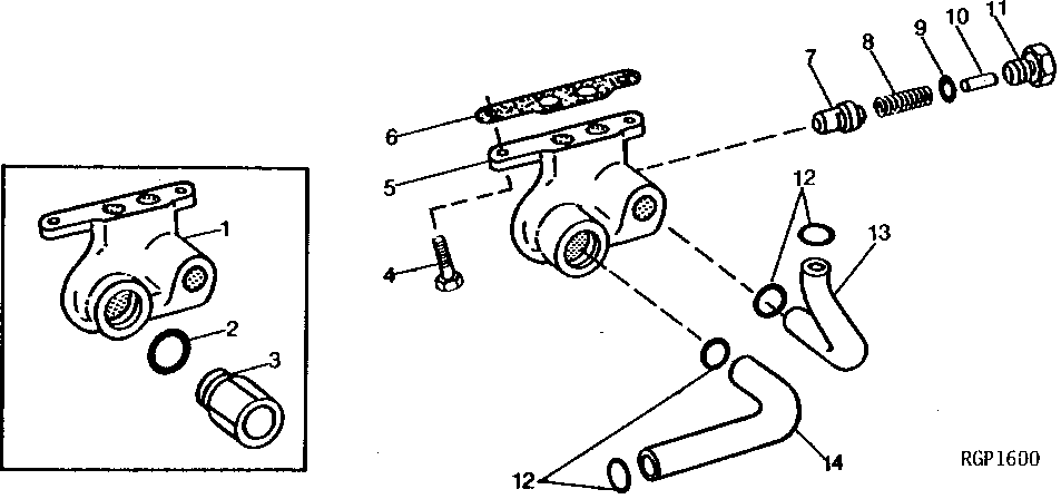
1

R62954

HOUSING

(SUB R78134)

1шт.

2

U13639

O-RING

1шт.

3

R65683

TUBE NUT

1шт.

R119364

FITTING

(NOT AS SHOWN) (USE WITH LATE DESIGN OIL PUMP INTAKE)

1шт.

4

R40236

CAP SCREW

2шт.

5

R78134

HOUSING

1шт.

6

R65055

GASKET

1шт.

7

R49464

VALVE

1шт.

8

R26151

SPRING

1шт.

9

U17409

O-RING

1шт.

10

34H313

SPRING PIN

1/4" X 1-1/8"

1шт.

11

R49465

DRAIN PLUG

1шт.

12

R71732

O-RING

4шт.

13

R50386

OIL TUBE

1шт.

14

R62952

OIL TUBE

1шт.

Выбрано товаров: 0