Запчасти John Deere 90C 7 - ENGINE OIL COOLER BYPASS VALVE AND HOUSING 407 - ENGINE 4

Схема запчастей John Deere 90C - 7 - ENGINE OIL COOLER BYPASS VALVE AND HOUSING 407 - ENGINE 4
FIT
1:1
100%

Артикул

Название

Примечание

Количество

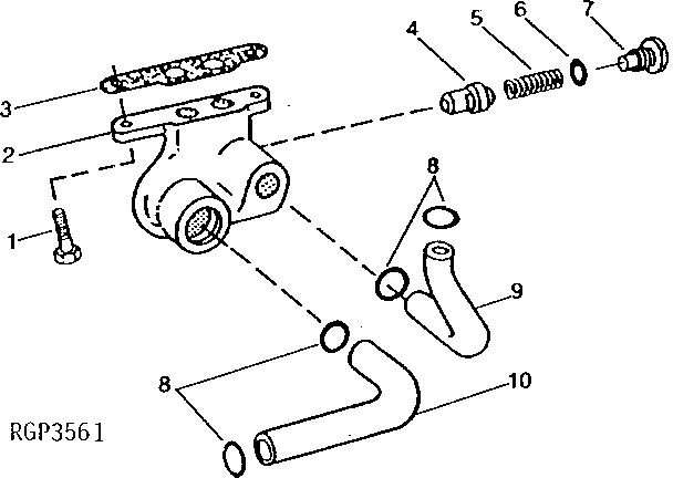
1

R40236

CAP SCREW

2шт.

2

R78134

HOUSING

1шт.

3

R65055

GASKET

1шт.

4

R49464

VALVE

1шт.

5

R26151

SPRING

1шт.

6

U17409

O-RING

1шт.

7

R86875

FITTING

1шт.

8

R71732

O-RING

4шт.

9

R50386

OIL TUBE

1шт.

10

R62952

OIL TUBE

1шт.

Выбрано товаров: 10