Запчасти John Deere 90C 1 - STARTING MOTOR 422 - ENGINE 4

Схема запчастей John Deere 90C - 1 - STARTING MOTOR 422 - ENGINE 4
FIT
1:1
100%

Артикул

Название

Примечание

Количество

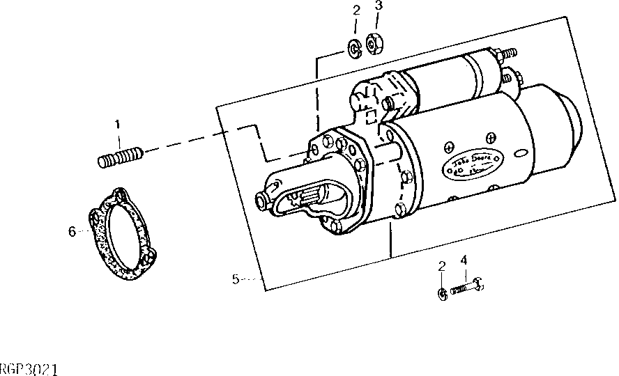
1

R114130

STUD

(SUB FOR R55396, APPL)

1шт.

2

12H304

LOCK WASHER

3/8", (NOT REQUIRED WITH E55662)

3шт.

3

E55662

FLANGE NUT

1шт.

4

19H3219

CAP SCREW

3/8" X 1-3/8"

2шт.

5

AR84333

STARTER MOTOR

(DENSO NO. 028000-5250) (SUB TY6714 OR RE65174)

1шт.

RE15663

STARTER MOTOR

(DENSO NO. 028000-5251) (SUB TY6714 OR RE65174)

1шт.

TY6654

STARTER MOTOR

REMANUFACTURED (DENSO NO. 9702800-525) (SUB TY6714)

1шт.

RE38369

STARTER MOTOR

(DENSO NO. 128000-7170) (SUB TY6714 OR RE65174)

1шт.

6

R53108

GASKET

1шт.

Выбрано товаров: 9