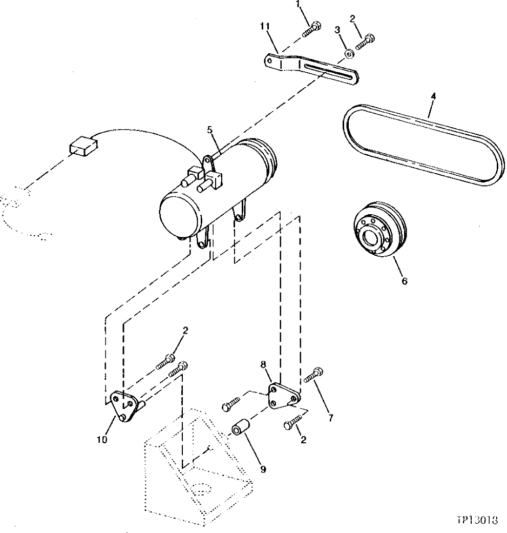
Запчасти John Deere 90C 6 - AIR CONDITIONER COMPRESSOR AND MOUNTING BRACKETS 1830 - OPERATORS STATION 18

Схема запчастей John Deere 90C - 6 - AIR CONDITIONER COMPRESSOR AND MOUNTING BRACKETS 1830 - OPERATORS STATION 18
FIT
1:1
100%

Артикул

Название

Примечание

Количество

1

19H1904

CAP SCREW

5/16" X 3"

1шт.

24H1621

WASHER

11/32" X 1" X 0.220"

1шт.

2

19M8007

CAP SCREW

M10 X 25

5шт.

3

24M7028

WASHER

10.500 X 20 X 2 MM

1шт.

4

H77683

V-BELT

1шт.

5

TY6744

COMPRESSOR

(REMANUFACTURED) (SUB FOR AT77894)

1шт.

SE501461

COMPRESSOR

(REMANUFACTURED FOR TY6744)

1шт.

6

T105392

PULLEY

(SUB FOR T79907)

1шт.

7

19M7362

CAP SCREW

M12 X 55

1шт.

8

T78491

BRACKET

1шт.

9

BUSHING

(NO LONGER AVAILABLE)

1шт.

10

AT77895

SUPPORT

1шт.

11

T78492

STRAP

1шт.

Выбрано товаров: 13