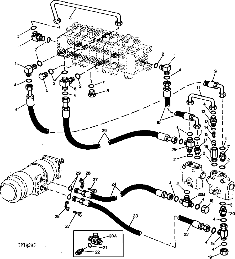
Запчасти John Deere 90C 24 - CONTROL VALVE TO FLOW DIVIDER FITTINGS AND HOSES 3360 - BACKHOE AND EXCAVATOR 33

Схема запчастей John Deere 90C - 24 - CONTROL VALVE TO FLOW DIVIDER FITTINGS AND HOSES 3360 - BACKHOE AND EXCAVATOR 33
FIT
1:1
100%

Артикул

Название

Примечание

Количество

1

38H1037

ELBOW FITTING

3шт.

2

R29936

O-RING

12шт.

3

AT79207

OIL LINE

1шт.

4

T76938

O-RING

12шт.

5

R36636

FITTING PLUG

1шт.

6

38H1020

TEE FITTING

1шт.

7

U13639

O-RING

1шт.

8

R39741

DRAIN PLUG

UNDERSIZE

1шт.

9

AT79203

HYDRAULIC HOSE - FABRICATE

1-7/16" X 1 473 MM (58") X 1-7/16"

1шт.

10

AT79204

HYDRAULIC HOSE - FABRICATE

1-7/16" X 991 MM (39") X 1-7/16"

1шт.

11

AT79606

OIL LINE

1шт.

12

38H1179

ADAPTER FITTING

1шт.

13

U12547

O-RING

1шт.

14

T26072

SPRING

1шт.

15

T35780

CHECK VALVE

1шт.

16

T35781

FITTING

1шт.

17

38H1164

ADAPTER FITTING

3шт.

18

38H1002

TEE FITTING

1шт.

19

38H1419

FITTING

2шт.

20A

AT79605

TEE FITTING

(USE IF AVAILABLE, OTHERWISE USE 38H1020 AND T78646) (DRILLING AND TAPPING REQUIRED)

1шт.

20B

38H1020

TEE FITTING

1шт.

21

T70177

O-RING

1шт.

22

38H1160

ADAPTER FITTING

1шт.

23

AT79205

HYDRAULIC HOSE - FABRICATE

1" X 822 MM (32-1/4") X 1-7/16"

1шт.

24

AT79206

HYDRAULIC HOSE - FABRICATE

1" X 654 MM (25-3/4") X 1-7/16"

1шт.

25

38H1027

TEE FITTING

1шт.

26

AT79202

HYDRAULIC HOSE - FABRICATE

1-7/16" X 900 MM (35-1/2") X 1-7/16"

1шт.

27

19H3239

CAP SCREW

3/8" X 1-1/4"

8шт.

28

H61354

FLANGE FITTING

4шт.

29

T78313

O-RING

2шт.

30

T104003

ADAPTER FITTING

1шт.

Выбрано товаров: 31