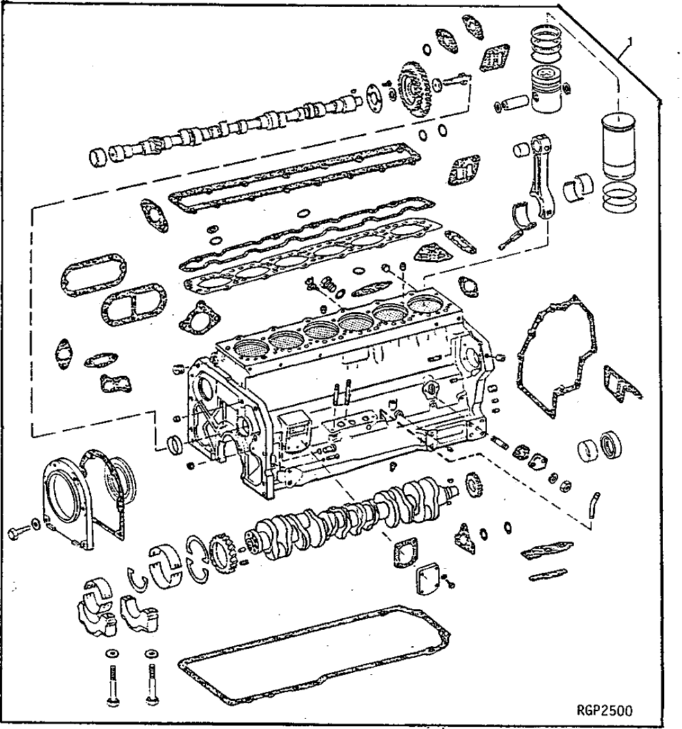
Запчасти John Deere 90C 4 - ENGINE SHORT BLOCK (GEAR DRIVEN WATER PUMP) 404 - ENGINE 4

Схема запчастей John Deere 90C - 4 - ENGINE SHORT BLOCK (GEAR DRIVEN WATER PUMP) 404 - ENGINE 4
FIT
1:1
100%

Артикул

Название

Примечание

Количество

1

AR100374

SHORT BLOCK ASSEMBLY

(SUB SE500048) (MARKED R71685, R71688 OR R80481) (SUB FOR RE65069)

1шт.

RE28288

SHORT BLOCK ASSEMBLY

(SUB SE500048) (MARKED R87555) (SUB FOR RE65069)

1шт.

RE53369

SHORT BLOCK ASSEMBLY

(SUB SE500048) (MARKED R87555) (SUB FOR RE65069) (CRANKSHAFT MARKED RE53203)

1шт.

RE60436

SHORT BLOCK ASSEMBLY

(SUB SE500048) (MARKED R122733) (SUB FOR RE65069)

1шт.

SE500048

BASIC DIESEL ENGINE

(REMANUFACTURED)

1шт.

Выбрано товаров: 5