Запчасти John Deere 90CR 8 - FUEL INJECTION PUMP DRIVE 413 - ENGINE 4

Схема запчастей John Deere 90CR - 8 - FUEL INJECTION PUMP DRIVE 413 - ENGINE 4
FIT
1:1
100%

Артикул

Название

Примечание

Количество

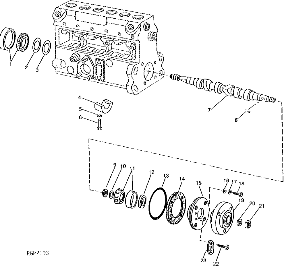
1

AR63941

TAPERED ROLLER BEARING

NAшт.

2

R55153

SHIM

0.10 MM (.0039")

NAшт.

R55154

SHIM

0.12 MM (.0047")

NAшт.

R55155

SHIM

0.14 MM (.0055")

NAшт.

R55156

SHIM

0.16 MM (.0063")

NAшт.

R55157

SHIM

0.18 MM (.0071")

NAшт.

R55158

SHIM

0.30 MM (.0118")

ARшт.

R55159

SHIM

0.51 MM (.0197")

NAшт.

R55160

WASHER

1.00 MM (.039")

NAшт.

3

R55152

WASHER

NAшт.

4

R54878

SUPPORT

NAшт.

5

R54880

LOCK WASHER

2шт.

6

R54879

SCREW

NAшт.

7

R79976

CAMSHAFT

NAшт.

8

R53888

SHAFT KEY

NAшт.

9

R54863

WASHER

NAшт.

10

R54864

SHIM

0.10 MM (.0039")

NAшт.

R54865

SHIM

0.12 MM (.0047")

NAшт.

R54866

SHIM

0.14 MM (.0055")

NAшт.

R54867

SHIM

0.16 MM (.0063")

NAшт.

R54868

SHIM

0.18 MM (.0071")

NAшт.

R54870

SHIM

0.30 MM (.0118")

NAшт.

R54869

SHIM

0.51 MM (.0197")

NAшт.

11

AR63555

TAPERED ROLLER BEARING

NAшт.

12

R78078

WASHER

1.00 MM (.039")

NAшт.

13

R54873

O-RING

1шт.

14

R60909

GASKET

NAшт.

15

R68577

BEARING HOUSING W/O BEARING

NAшт.

16

R53908

WASHER

NAшт.

17

R54874

LOCK WASHER

NAшт.

18

R60908

SCREW

NAшт.

19

R68576

HUB

NAшт.

20

R53887

LOCK WASHER

NAшт.

21

R53886

NUT

NAшт.

22

R69622

CAP SCREW

NAшт.

23

R69624

MARKER

NAшт.

Выбрано товаров: 36