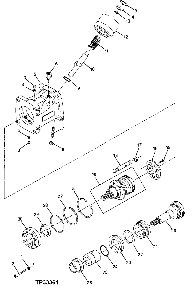
Запчасти John Deere 90CR 14 - PROPEL MOTOR 260 - AXLES AND SUSPENSION SYSTEMS 2

Схема запчастей John Deere 90CR - 14 - PROPEL MOTOR 260 - AXLES AND SUSPENSION SYSTEMS 2
FIT
1:1
100%

Артикул

Название

Примечание

Количество

1

9636003037

RING

(D) SOLD IN SEAL KIT

6шт.

2

9045311143

BOLT

(D)

6шт.

3

T74541

SCREW

(D)

2шт.

4

T74542

SET SCREW

(D)

2шт.

5

206300182

HOUSING

(D)

1шт.

6

9148600196

ADAPTER FITTING

(D)

1шт.

7

T104007

STOP

(D)

1шт.

8

8614302140

NUT

(D)

1шт.

9

9456622448

SNAP RING

(D)

2шт.

10

SAEC

PIN

(D)

1шт.

11

0009215831

SPRING

(D)

1шт.

12

2063200808

CYLINDER

(D)

1шт.

13

9289003197

SOLID SHIM

(D)

ARшт.

14

2063012105

RING

(D)

1шт.

15

9048311125

BOLT

(D)

4шт.

16

2063231401

PLATE

(D)

1шт.

17

4193220790

RING

(D)

7шт.

18

4373200590

PISTON

(D)

7шт.

4373200592

PISTON

(D)

7шт.

4373200594

PISTON

(D)

7шт.

19

SAEC

ASSEMBLY LINE PARTS

(D)

1шт.

20

SAEC

UNIVERSAL DRIVESHAFT

(D)

1шт.

21

0009247133

BEARING

(D)

1шт.

22

(D)

ARшт.

23

2063012101

RING

(D)

1шт.

24

0009070460

SNAP RING

(D)

1шт.

25

2063231305

PIPE BUSHING

(D)

1шт.

26

0009246931

BEARING

(D)

1шт.

27

0009145580

SNAP RING

(D)

1шт.

28

0009631035

O-RING

(D) SOLD IN SEAL KIT

1шт.

29

SEAL

(D) SOLD IN SEAL KIT ( AT74309 USE IF AVAILABLE)

1шт.

30

2063012201

HOUSING

(D)

1шт.

Выбрано товаров: 32