Запчасти John Deere 90D 5A - AUXILIARY LIGHT CIRCUIT BREAKERS, RELAYS AND WIRING HARNESS 1673 - ELECTRICAL SYSTEMS 16

Схема запчастей John Deere 90D - 5A - AUXILIARY LIGHT CIRCUIT BREAKERS, RELAYS AND WIRING HARNESS 1673 - ELECTRICAL SYSTEMS 16
FIT
1:1
100%

Артикул

Название

Примечание

Количество

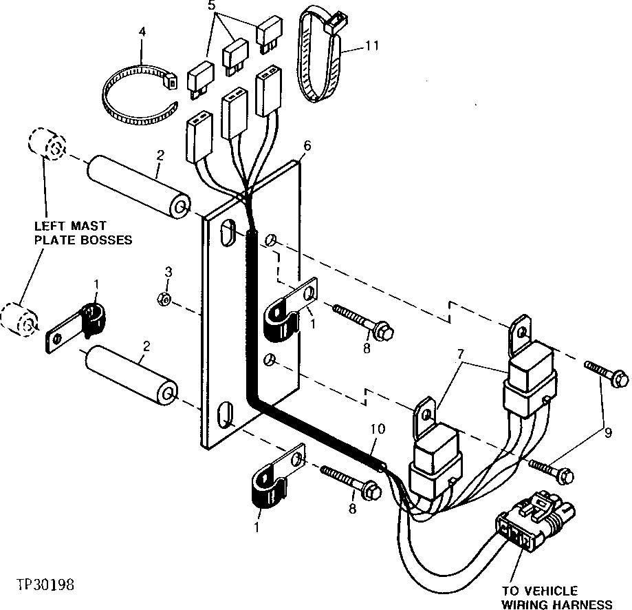
1

AH89557

CLIP

3шт.

2

28H1532

SPACER

0.493" X 0.675" X 2"

2шт.

3

14M7165

LOCK NUT

M6

2шт.

4

H77698

TIE BAND

1шт.

5

T103834

CIRCUIT BREAKER

20-AMP

3шт.

6

T124334

PLATE

1шт.

7

AT77726

RELAY

2шт.

8

19M7835

SCREW

M10 X 35

2шт.

9

19M7775

SCREW

M6 X 16

2шт.

10

AT130063

WIRING HARNESS

1шт.

11

R44302

TIE BAND

HOLD CONNECTORS TO RELAYS

3шт.

Выбрано товаров: 11