Запчасти John Deere 90D 24 - COMPLETE CAB ASSEMBLY 1810 - OPERATORS STATION 18

Схема запчастей John Deere 90D - 24 - COMPLETE CAB ASSEMBLY 1810 - OPERATORS STATION 18
FIT
1:1
100%

Артикул

Название

Примечание

Количество

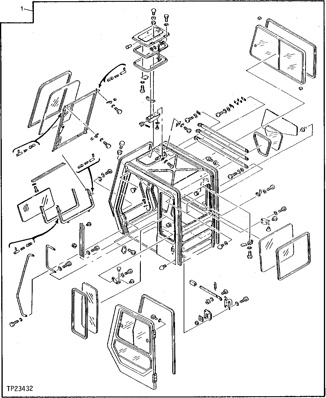
1

4196647J

CAB

(ALSO ORDER AT148303, T71441, T71442, (3) 19M7560, (3) 12M7006) (SUB FOR AT114976 OR 4196647)

1шт.

Выбрано товаров: 1