Запчасти John Deere 90D 18 - IMPACTOR - ASSEMBLY "B" 3302 - BACKHOE AND EXCAVATOR 33

Схема запчастей John Deere 90D - 18 - IMPACTOR - ASSEMBLY "B" 3302 - BACKHOE AND EXCAVATOR 33
FIT
1:1
100%

Артикул

Название

Примечание

Количество

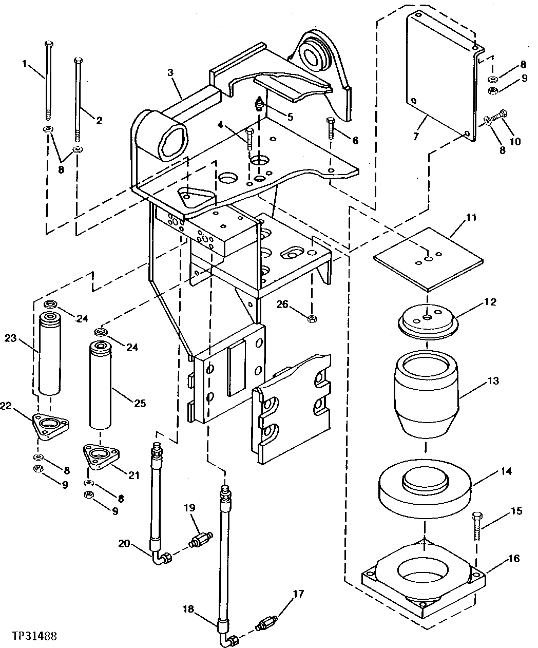
1

000-6013-024

CAP SCREW

(B)

3шт.

2

000-6013-025

CAP SCREW

(B)

3шт.

3

507-0830

HOUSING

(B)

1шт.

4

000-6005-007

CAP SCREW

(B)

2шт.

5

000-2051

VALVE

(B) AIR

1шт.

6

000-6013-016

CAP SCREW

(B)

2шт.

7

507-0828

DOOR

(B)

1шт.

8

000-6161

WASHER

(B)

10шт.

9

000-6124-006

LOCK NUT

(B)

8шт.

10

000-6013-001

CAP SCREW

(B)

2шт.

11

507-0683

PLATE

(B) COVER

1шт.

12

507-0835

PLATE

(B) RETAINER

1шт.

13

000-0979

SPRING

(B) AIR

1шт.

14

507-1034

PLATE

(B) PUSH

1шт.

15

000-6020-017

CAP SCREW

(B)

1шт.

16

507-0669

PAD

(B) CUSHION

1шт.

17

000-4925

ADAPTER FITTING

(B)

1шт.

18

000-4300-541

HOSE

(B) RETURN (LONG)

1шт.

19

000-4926

ORIFICE

(B) ASSEMBLY

1шт.

20

000-4300-540

HOSE

(B) PRESSURE (SHORT)

1шт.

21

507-0833

FLANGE

(B) ACCUMULATOR (RETURN)

1шт.

22

507-0832

FLANGE

(B) ACCUMULATOR (PRESSURE)

1шт.

23

000-0999

ACCUMULATOR

(B) PRESSURE (SHORT)

1шт.

24

000-1001

O-RING

(B)

2шт.

25

000-1021

ACCUMULATOR

(B) RETURN (LONG)

1шт.

26

000-6070-013

LOCK NUT

(B)

4шт.

Выбрано товаров: 26