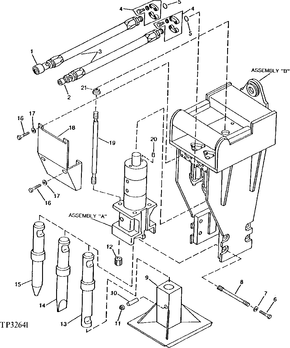
Запчасти John Deere 90D 20 - IMPACTOR AND QUICK CONNECT 3302 - BACKHOE AND EXCAVATOR 33

Схема запчастей John Deere 90D - 20 - IMPACTOR AND QUICK CONNECT 3302 - BACKHOE AND EXCAVATOR 33
FIT
1:1
100%

Артикул

Название

Примечание

Количество

1

000-1764

QUICK COUPLER

(B)

1шт.

2

000-1765

HYDR.QUICK COUPLER PLUG

(B)

1шт.

3

000-2310

HYDRAULIC HOSE

(B)

2шт.

4

000-4436

KIT

(B) FLANGE CLAMP

2шт.

5

000-1004

O-RING

(B)

2шт.

6

000-6070-014

LOCK NUT

(B)

8шт.

7

000-6151

WASHER

(B)

8шт.

8

507-0837

BOLT

(B)

4шт.

9

507-0432

PAD

(B) TAMPER

1шт.

10

507-0337

PIN

(B) TOOL RETAINER

1шт.

11

000-4134

PLUG

(B) PIN RETAINER

1шт.

12

507-0672

NUT

(B)

4шт.

13

507-0386

PIN FASTENER

(B) TAMPING PAD ATTACHING

1шт.

14

507-0360

CHISEL

(B)

1шт.

15

507-0359

TOOL

(B)

1шт.

16

000-6013-001

CAP SCREW

(B)

4шт.

17

000-6161

WASHER

(B)

4шт.

18

507-0815

COVER

(B)

1шт.

19

507-0839

GANG BOLT

(B)

4шт.

20

000-0224

DOWEL PIN

(B)

2шт.

21

507-0844

NUT

(B)

4шт.

Выбрано товаров: 21