Запчасти John Deere 90D 25A - GENERAL PURPOSE HIGH CAPACITY BUCKET 3302 - BACKHOE AND EXCAVATOR 33

Схема запчастей John Deere 90D - 25A - GENERAL PURPOSE HIGH CAPACITY BUCKET 3302 - BACKHOE AND EXCAVATOR 33
FIT
1:1
100%

Артикул

Название

Примечание

Количество

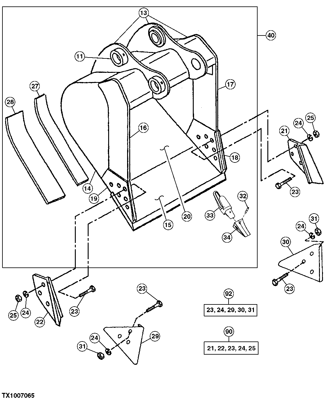
11

TH104509

BUSHING

2шт.

13

C607480

PIVOT

(A) (BUCKET EAR BLANK ASSEMBLY)

1шт.

14

300536

PLATE

(A) (RIGHT AND LEFT SIDE)

2шт.

15

CUTTING EDGE

(CUT TO LENGTH FROM AT131090 BULK MATERIAL)

1шт.

16

300534

VERTICAL CUTTER

(A) (UPPER RIGHT SIDE)

1шт.

17

300535

VERTICAL CUTTER

(A) (UPPER LEFT SIDE)

1шт.

18

300482

VERTICAL CUTTER

(A) (LEFT INSERT)

1шт.

19

300481

VERTICAL CUTTER

(A) (RIGHT INSERT)

1шт.

20

600318

MOLDBOARD

(A) (30 INCH)

1шт.

600319

MOLDBOARD

(A) (36 INCH)

1шт.

600320

MOLDBOARD

(A) (42 INCH)

1шт.

600321

MOLDBOARD

(A) (48 INCH)

1шт.

21

CUTTING EDGE

(SUB AT131080)

1шт.

22

CUTTING EDGE

(SUB AT131080)

1шт.

23

09H1770

BOLT

7/8" X 2-1/2"

6шт.

24

12H245

LOCK WASHER

7/8"

6шт.

25

14H1077

NUT

7/8"

6шт.

27

300524

BAR

(A) (INNER WEAR)

1шт.

28

306974

BAR

(A) (OUTER WEAR)

2шт.

29

SHROUD

(WEAR SHROUD) (SUB AT167874)

1шт.

30

SHROUD

(WEAR SHROUD) (SUB AT167874)

1шт.

31

14H1044

NUT

22.225 MM (7/8")

6шт.

32

TK290

PIN

ARшт.

33

T158X290

BUCKET TOOTH ADAPTER

ARшт.

34

TF290

TOOTH

ARшт.

35

TK130

SHAFT KEY

1шт.

92

AT167874

KIT

(EDGE PROTECTOR)

1шт.

Выбрано товаров: 27