Запчасти John Deere 90D 32 - SEVERE DUTY PLATE LIP BUCKET 3302 - BACKHOE AND EXCAVATOR 33

Схема запчастей John Deere 90D - 32 - SEVERE DUTY PLATE LIP BUCKET 3302 - BACKHOE AND EXCAVATOR 33
FIT
1:1
100%

Артикул

Название

Примечание

Количество

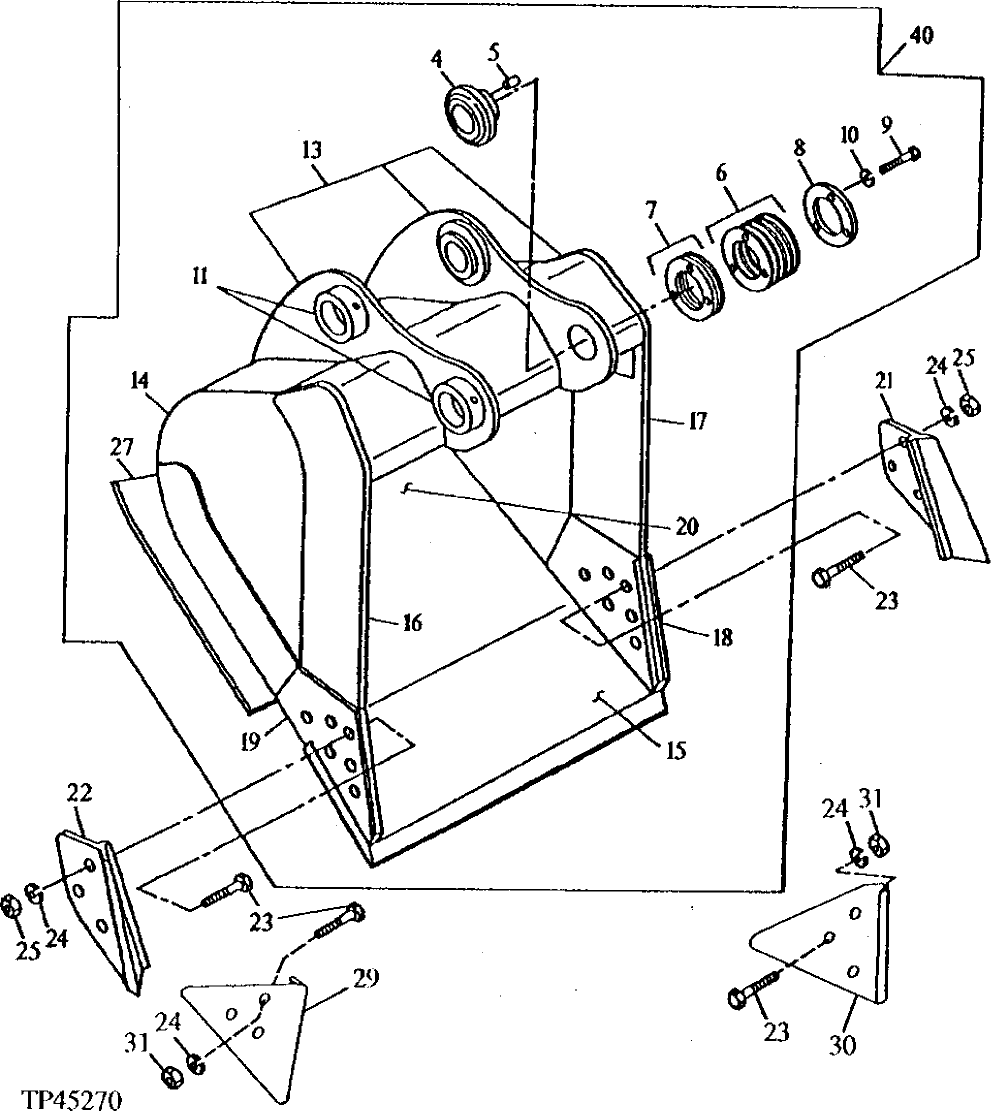
4

AT131083

SELF-ALIGNING BUSHING

(1 INCH HEAD THICKNESS)

1шт.

5

R48685

DOWEL PIN

1шт.

6

TH104512

WASHER

9шт.

7

TH104513

SHIM

1шт.

8

TH104514

SPACER

1шт.

9

19H2706

CAP SCREW

5/8" X 2"

3шт.

10

12H294

LOCK WASHER

5/8"

3шт.

11

TH104509

BUSHING

(LOCKING COLLAR)

2шт.

13

C607480

PIVOT

(F) (BUCKET EAR BLANK ASSEMBLY)

1шт.

14

305511

PLATE

(F) (RIGHT AND LEFT SIDE)

2шт.

15

CUTTING EDGE

(CUT TO LENGTH FROM AT131097)

1шт.

16

305512

VERTICAL CUTTER

(F) (UPPER RIGHT SIDE)

1шт.

17

305513

VERTICAL CUTTER

(F) (UPPER LEFT SIDE)

1шт.

18

305531

VERTICAL CUTTER

(F) (LEFT INSERT)

1шт.

19

305530

VERTICAL CUTTER

(F) (RIGHT INSERT)

1шт.

20

605990

MOLDBOARD

(F) (30 INCH)

1шт.

605991

MOLDBOARD

(F) (36 INCH)

1шт.

21

CUTTING EDGE

(K) (SUB AT131085)

1шт.

22

CUTTING EDGE

(K) (SUB AT131085)

1шт.

23

09H1771

BOLT

(K) 7/8" X 3", (K2)

6шт.

24

12H245

LOCK WASHER

(K) 7/8", (K2)

6шт.

25

14H1077

NUT

(K) 7/8"

6шт.

27

605995

BAR

(F) (USE WITH 30 INCH BUCKET)

1шт.

605996

BAR

(F) (USE WITH 36 INCH BUCKET)

1шт.

29

SHROUD

(WEAR SHROUD) (SUB AT167876) (K2)

1шт.

30

SHROUD

(WEAR SHROUD) (SUB AT167876) (K2)

1шт.

31

14H1044

NUT

22.225 MM (7/8") (K2)

6шт.

40

EXCAVATOR BUCKET

(SUB AT163624) ( AT131115, AT131216, AT163624 NLA) (4 TEETH)

1шт.

EXCAVATOR BUCKET

(SUB AT163625) ( AT131116, AT131217, AT163625 NLA) AT131217, AT163625 NLA) (4 TEETH)

1шт.

Выбрано товаров: 29