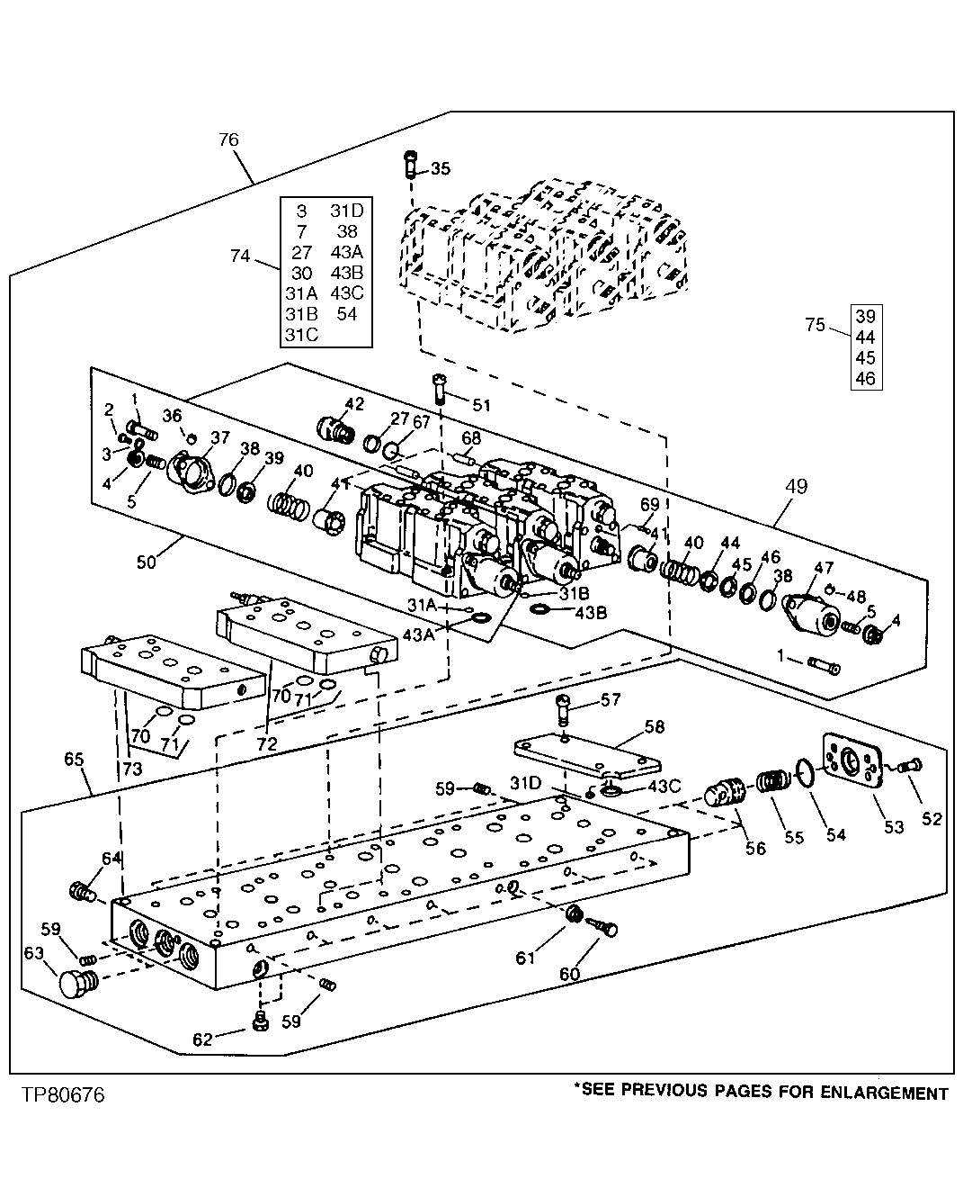
Запчасти John Deere 90D 20 - CONTROL VALVE AND MANIFOLD 3360 - BACKHOE AND EXCAVATOR 33

Схема запчастей John Deere 90D - 20 - CONTROL VALVE AND MANIFOLD 3360 - BACKHOE AND EXCAVATOR 33
FIT
1:1
100%

Артикул

Название

Примечание

Количество

1

19M7660

SCREW

M8 X 20

24шт.

2

19M7302

CAP SCREW

M6 X 8

6шт.

3

RING

SEALING ( 51M4229 NO LONGER AVAILABLE)

6шт.

4

T107964

NUT

12шт.

5

T107822

SCREW

12шт.

31A

T107877

O-RING

2шт.

31B

T107877

O-RING

4шт.

31D

T107877

O-RING

2шт.

35

19M8281

SCREW

M12 X 70

12шт.

19M8169

SCREW

M12 X 30

12шт.

36

AT112756

CHECK VALVE

3шт.

37

T107940

CAP

BLEED HOLE, TOP OF VALVE

3шт.

38

T72221

O-RING

6шт.

39

24M7199

SHIM

0.500 MM, 30 X 42 X 0,5

2шт.

40

T107862

SPRING

6шт.

41

T107943

CAP

6шт.

42

AT112752

CHECK VALVE

6шт.

AT125520

CHECK VALVE

6шт.

43A

R61871

O-RING

3шт.

43B

R61871

O-RING

6шт.

43C

R61871

O-RING

3шт.

44

SOLID SHIM

30 X 42 X 1

4шт.

45

SOLID SHIM

30 X 42 X 0,1

4шт.

46

SOLID SHIM

30 X 42 X 0,3

4шт.

47

T107941

CAP

3шт.

48

AT112756

CHECK VALVE

3шт.

49

AT149808

HYD ACTUATED CONTROL VALVE

(SUB FOR AT125522) (SUB FOR AT112754) PROPEL

2шт.

AT139464

SPOOL VALVE

1шт.

AT149808

HYD ACTUATED CONTROL VALVE

PROPEL

2шт.

50

AT125521

ELEC.PROPORTIONAL VALVE

(SUB FOR AT112753) SWING

1шт.

VALVE

SWING (AT149807 NLA)

1шт.

51

19M8574

SCREW

M10 X 85

12шт.

52

19M8581

SCREW

M5 X 20

4шт.

53

T107935

FLANGE

2шт.

54

T107879

O-RING

2шт.

55

T107853

SPRING

2шт.

56

T107939

POPPET

2шт.

57

19M8328

SCREW

M10 X 25

4шт.

58

T107942

COVER

1шт.

59

15M7032

PIPE PLUG

16шт.

60

T107816

SCREW

1шт.

T139733

SCREW

1шт.

61

T104110

NUT

M12

1шт.

LOCK NUT

( T74545 NLA) (SUB FOR T139732, THIS APPLICATION)

1шт.

62

R27218

FITTING PLUG

2шт.

R26448

O-RING

(SUB FOR T70177)

1шт.

63

R36636

FITTING PLUG

3шт.

R29936

O-RING

3шт.

64

R26906

O-RING

(SUB FOR R47151)

1шт.

R27474

DRAIN PLUG

1шт.

74

AT112750

SEAL KIT

1шт.

75

AT112818

SHIM KIT

1шт.

76

AT141634

VALVE

COMPLETE (USE IF AVAILABLE) (CONTAINS ADDITIONAL PARTS FOUND ON PREVIOUS PAGES) (SUB FOR AT130065) (SUB AT141634)

1шт.

AT141634

VALVE

COMPLETE (CONTAINS ADDITIONAL PARTS FOUND ON PREVIOUS PAGES) (SUB FOR AT130065)

1шт.

Выбрано товаров: 0