Запчасти John Deere 90D 21A - CONTROL VALVE AND MANIFOLD 3360 - BACKHOE AND EXCAVATOR 33

Схема запчастей John Deere 90D - 21A - CONTROL VALVE AND MANIFOLD 3360 - BACKHOE AND EXCAVATOR 33
FIT
1:1
100%

Артикул

Название

Примечание

Количество

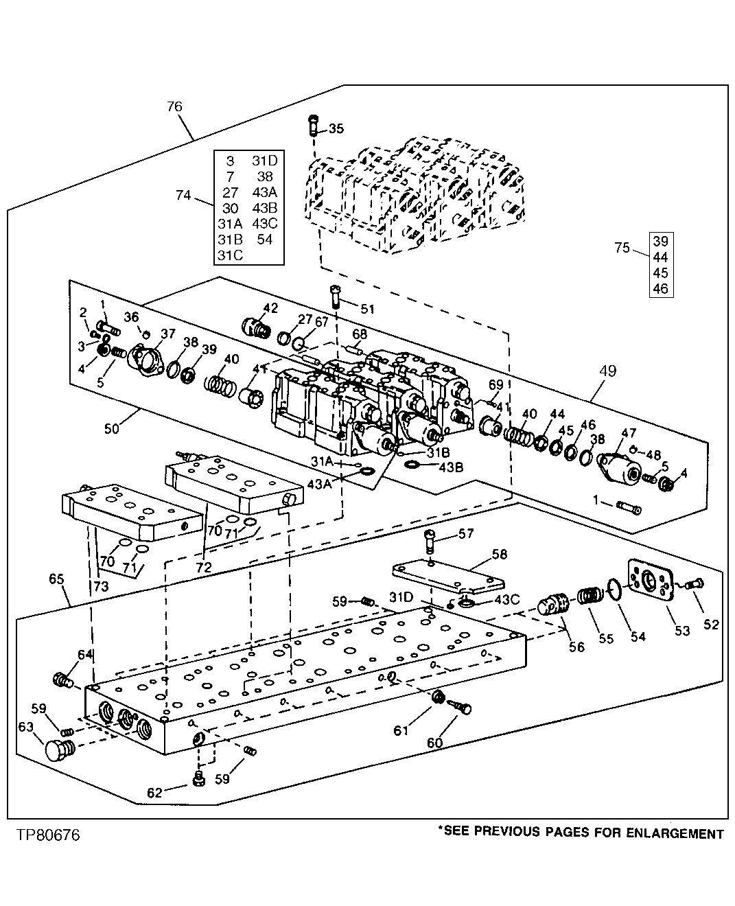
65

MANIFOLD

( AT112817 NO LONGER AVAILABLE) (SUB AT149979)

1шт.

AT149979

MANIFOLD

1шт.

67

R80632

O-RING

(SUB FOR R68512) (USE ONLY WITH AT125520)

6шт.

68

T115242

PIN

2шт.

69

22M7095

SET SCREW

6шт.

70

R61871

O-RING

3шт.

71

T107877

O-RING

2шт.

72

AT132828

PLATE

PROPEL PLATE

2шт.

R27218

FITTING PLUG

EDGE OF PROPEL PLATE AT132828

1шт.

R26448

O-RING

USE WITH R27218

1шт.

73

AT132829

PLATE

SWING PLATE

1шт.

AT149810

PLATE

1шт.

74

AT112750

SEAL KIT

1шт.

75

AT112818

SHIM KIT

1шт.

76

AT141634

VALVE

COMPLETE (USE IF AVAILABLE) (CONTAINS ADDITIONAL PARTS FOUND ON PREVIOUS PAGES) (SUB FOR AT130065) (SUB AT141634)

1шт.

AT141634

VALVE

COMPLETE (CONTAINS ADDITIONAL PARTS FOUND ON PREVIOUS PAGES) (SUB FOR AT130065)

1шт.

Выбрано товаров: 0