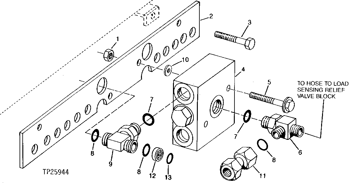
Запчасти John Deere 90D 31 - CAB BULKHEAD, SHUTTLE VALVE, FITTINGS AND HARDWARE 3360 - BACKHOE AND EXCAVATOR 33

Схема запчастей John Deere 90D - 31 - CAB BULKHEAD, SHUTTLE VALVE, FITTINGS AND HARDWARE 3360 - BACKHOE AND EXCAVATOR 33
FIT
1:1
100%

Артикул

Название

Примечание

Количество

1

14M7272

NUT

M6

2шт.

2

PLATE

(NO LONGER AVAILABLE)

1шт.

3

19M7786

SCREW

M10 X 30

2шт.

4

AT132744

FLOW CONTROL HYD. VALVE

(SUB FOR AT112100)

1шт.

5

19M8321

SCREW

M6 X 45

2шт.

6

38H1160

ADAPTER FITTING

1шт.

38H1023

TEE FITTING

1шт.

38H1160

ADAPTER FITTING

STRAIGHT (NOT ILLUSTRATED)

1шт.

7

R26448

O-RING

(SUB FOR T70177)

5шт.

8

T77613

O-RING

9шт.

9

38H1016

TEE FITTING

4шт.

10

24H1821

WASHER

9/32" X 47/64" X 1/16"

2шт.

11

AT120895

ADAPTER FITTING

1шт.

12

T125729

PLATE

4шт.

13

T77613

O-RING

4шт.

Выбрано товаров: 0