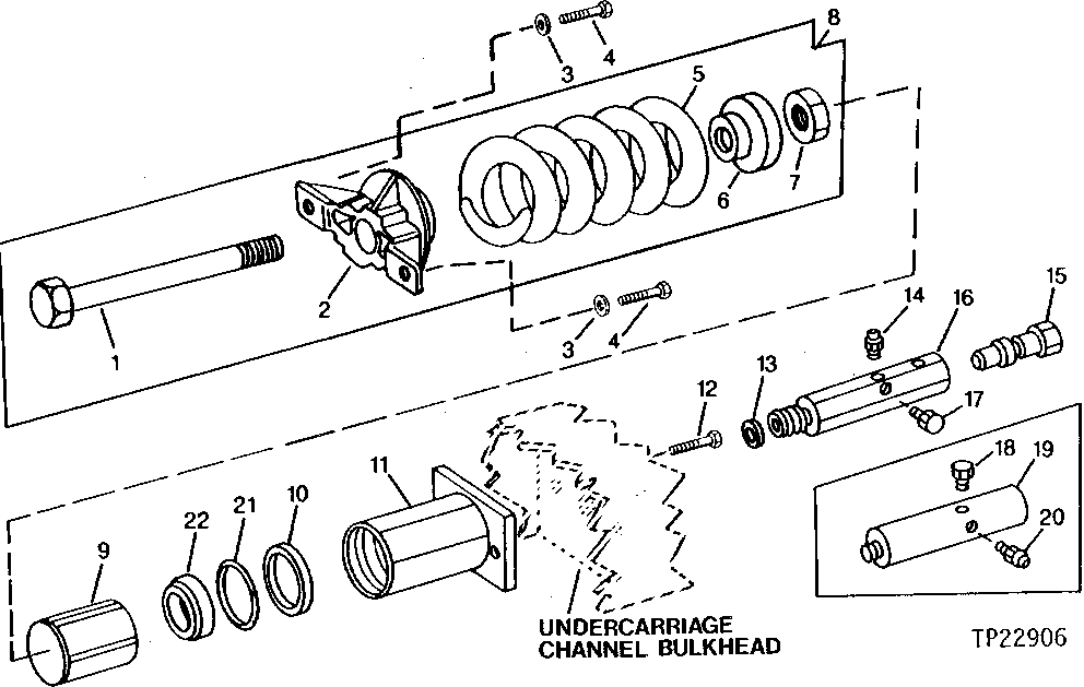
Запчасти John Deere 90D 5 - ADJUSTING CYLINDER AND IDLER SPRING ASSEMBLY 130 - TRACKS 1

Схема запчастей John Deere 90D - 5 - ADJUSTING CYLINDER AND IDLER SPRING ASSEMBLY 130 - TRACKS 1
FIT
1:1
100%

Артикул

Название

Примечание

Количество

1

T119925

BOLT

HEAVY-DUTY, (SUB T42679)

1шт.

T123101

BOLT

1шт.

2

T42678

YOKE

1шт.

3

24M1589

WASHER

17 X 30 X 3 MM

2шт.

4

19M7489

CAP SCREW

M16 X 45

2шт.

5

T119926

EXTENSION SPRING

HEAVY-DUTY

1шт.

T44023

SPRING

1шт.

6

T42680

CAP

1шт.

T123102

CAP

1шт.

7

T42682

NUT

1шт.

8

AT125807

SPRING ASSEMBLY

(SUB FOR AT112306) HEAVY-DUTY

1шт.

SPRING ASSEMBLY

( AT125807 USE IF AVAILABLE)

1шт.

9

T82904

PISTON

(A)

1шт.

T115214

PIN

1шт.

10

T165540

SEAL

(USE IF AVAILABLE) (SUB FOR T42674)

1шт.

T165540

SEAL

1шт.

T115215

SEAL

1шт.

11

T82905

BARREL

(A)

1шт.

AT125469

BARREL

1шт.

12

19M7303

CAP SCREW

M12 X 45

2шт.

19M7493

CAP SCREW

M12 X 40

2шт.

13

AT48016

SEAL

1шт.

14

JD10510

LUBRICATION FITTING

STRAIGHT, 1/4", (SUB FOR JD5815)

1шт.

15

T115166

PRESSURE RELIEF VALVE

TRACK RELIEF

1шт.

16

T115149

ADAPTER FITTING

1шт.

17

15H558

PIPE PLUG

1/8"

2шт.

18

N10145

FITTING PLUG

3шт.

19

JD10510

LUBRICATION FITTING

(SUB FOR AT48017) (SUB T115149, T115166, JD10510 AND (2) 15H558)

1шт.

20

JD7797

LUBRICATION FITTING

1шт.

21

T115284

BACK-UP RING

1шт.

22

T139457

SEAL

(SUB FOR T115216)

1шт.

Выбрано товаров: 31