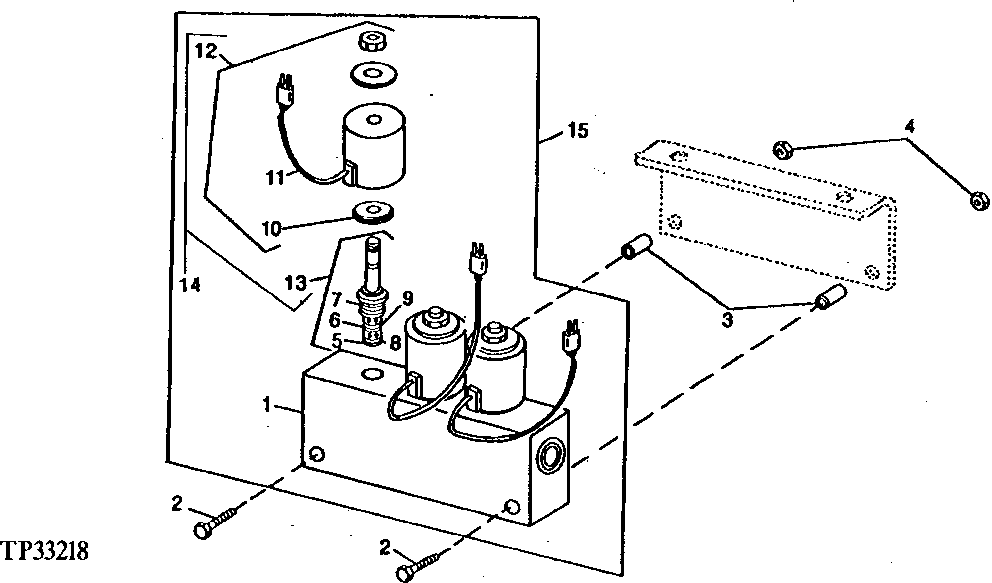
Запчасти John Deere 90D 13 - THREE-WAY PROPEL MOTOR SOLENOID VALVE 260 - AXLES AND SUSPENSION SYSTEMS 2

Схема запчастей John Deere 90D - 13 - THREE-WAY PROPEL MOTOR SOLENOID VALVE 260 - AXLES AND SUSPENSION SYSTEMS 2
FIT
1:1
100%

Артикул

Название

Примечание

Количество

1

T130849

HOUSING

1шт.

2

19M7742

CAP SCREW

M10 X 65

2шт.

3

28H1517

WASHER

0.493" X 0.675" X 1/4"

2шт.

4

14M7167

LOCK NUT

M10

2шт.

5

R42926

BACK-UP RING

1шт.

6

T81247

BACK-UP RING

1шт.

7

R47151

O-RING

1шт.

8

R28776

O-RING

1шт.

9

R33259

O-RING

1шт.

10

T130847

PLATE

1шт.

11

AT139433

ELECTRICAL COIL

1шт.

12

AT139434

KIT

1шт.

13

AT139432

HYD ACTUATED CONTROL VALVE

3шт.

14

AT139431

SOLENOID VALVE

1шт.

15

AT139377

SOLENOID VALVE

1шт.

Выбрано товаров: 15