Качественные детали и логистика
Оригинальные и аналоговые запчасти с доставкой по России, Казахстану и Беларуси
©2022 PartSell ООО "Система" ИНН 2463123282 ОГРН 1212400004838
Центральный офис: г. Красноярск, Академика Киренского, д.87, пом.4
Телефон: 8 (800) 777-65-74 Email: zakaz@partsell.ru
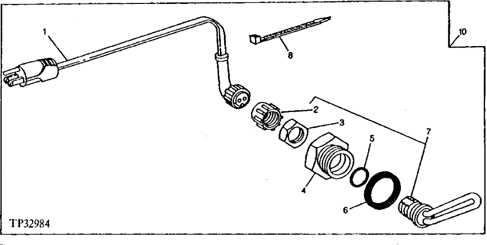
98 - Engine Coolant Heater
№
Артикул
Название
Примечание
Количество
1
AT73296
Power Cord
1шт.
2
Cap
( R54510 USE IF AVAILABLE)
3
Nut
( R54511 USE IF AVAILABLE)
4
R54123
Adapter Fitting
5
R206883
Washer
(SUB FOR R47693)
6
U13639
O-Ring
7
RE524676
Heating Element
(SUB FOR AR62399 OR RE50412)
8
R44302
Tie Band
HEATER CORD TO ENGINE HARNESS
4шт.
10
AT152042
Coolant Heater
Выбрано товаров: 0