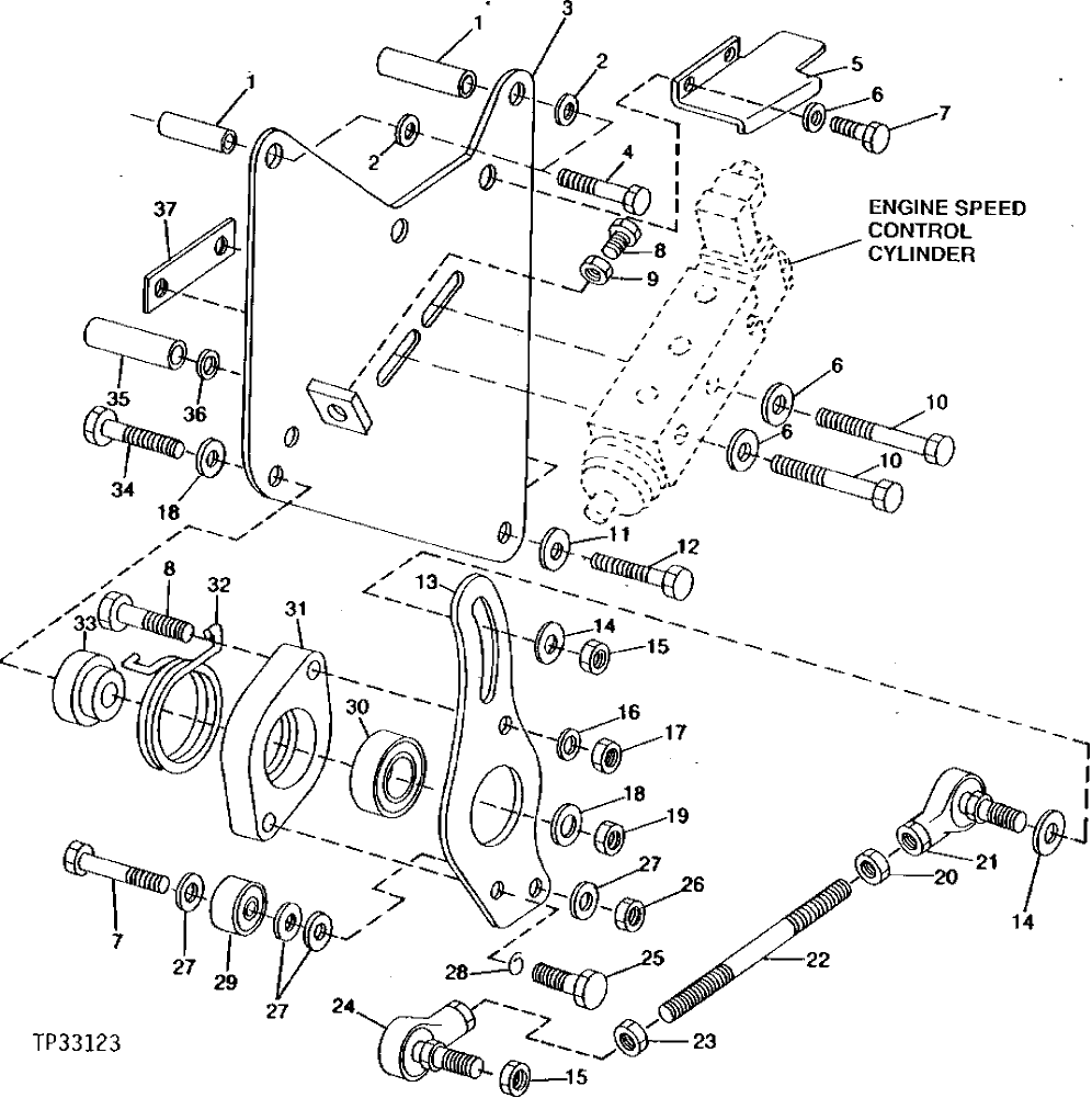
Запчасти John Deere 90ELC 109 - Engine Speed Control Linkage 0515 SPEED CONTROLS

Схема запчастей John Deere 90ELC - 109 - Engine Speed Control Linkage 0515 SPEED CONTROLS
FIT
1:1
100%

Артикул

Название

Примечание

Количество

1

28H2591

Bushing

0.423" X 0.675" X 1-3/4"

2шт.

28H3402

Spacer

0.493" X 0.675" X 2"

2шт.

2

24M7040

Washer

11 X 20 X 2 mm

2шт.

3

AT139475

Plate

1шт.

4

19H2104

Cap Screw

3/8" X 5"

2шт.

19M8003

Cap Screw

M10 X 140

2шт.

5

T139698

Cover

1шт.

6

24M7298

Washer

8.400 X 25 X 2 mm (SUB FOR 24M7207)

4шт.

7

19M7513

Cap Screw

M8 X 30 (SUB FOR 19M7288)

3шт.

8

19M6755

Cap Screw

M6 X 35

2шт.

9

14M7165

Lock Nut

M6 (SUB FOR 14M7272)

1шт.

10

19M8504

Cap Screw

M8 X 80

2шт.

11

24H1349

Washer

9/16" X 1-1/4" X 0.134"

2шт.

24H1890

Washer

19/32" X 1" X 1/4"

2шт.

12

19H2963

Cap Screw

9/16" X 3-1/2"

1шт.

19M8566

Cap Screw

M14 X 75

1шт.

13

T130898

Bellcrank

1шт.

14

24H1287

Washer

9/32" X 5/8" X 0.065"

2шт.

15

T10581

Lock Nut

2шт.

16

24M7054

Washer

6.400 X 12 X 1.600 mm

1шт.

17

14M7165

Lock Nut

M6

1шт.

18

24M7239

Washer

10.700 X 21 X 2.500 mm

3шт.

19

14M7167

Lock Nut

M10

1шт.

20

14H649

Nut

1/4"

1шт.

21

AT169374

Ball Joint

(SUB FOR AU43285, THIS APPLICATION)

1шт.

22

T139681

Stud

1шт.

23

14H1025

Nut

1/4"

1шт.

24

AT169375

Ball Joint

(SUB FOR AT156483)

1шт.

25

19M7775

Screw

M6 X 16

1шт.

26

14M7166

Lock Nut

M8

1шт.

27

24M7238

Washer

8.700 X 17 X 2 mm

4шт.

28

12M7006

Lock Washer

6 mm

1шт.

29

JD10181

Ball Bearing

1шт.

30

AT23189

Ball Bearing

1шт.

31

T139678

Retainer

1шт.

32

T77105

Spring

1шт.

33

T139677

Spacer

1шт.

34

19M7935

Cap Screw

M10 X 55

1шт.

35

28H1993

Bushing

0.622" X 0.840" X 2"

1шт.

36

24H1890

Washer

19/32" X 1" X 1/4"

1шт.

37

T144733

Strap

1шт.

Выбрано товаров: 41