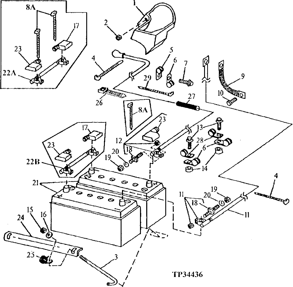
Запчасти John Deere 90ELC 135 - Batteries and Battery Cables 1671 BATTERIES, SUPPORT AND CABLES

Схема запчастей John Deere 90ELC - 135 - Batteries and Battery Cables 1671 BATTERIES, SUPPORT AND CABLES
FIT
1:1
100%

Артикул

Название

Примечание

Количество

1

R99303

Shield

STARTER SOLENOID TERMINALS

1шт.

2

14H631

Nut

0.190" SHIELD TO STARTER SOLENOID

1шт.

3

T138510

Hook Bolt

4шт.

4

H77698

Tie Band

ONE USED TO FASTEN R99303 TO STARTER SOLENOID AND ONE USED TO FASTEN BOTH BATTERY CABLES TO LOWER RADIATOR HOS E

2шт.

5

R46414

Clamp

1шт.

6

T38377

Clamp

3шт.

7

19M7784

Screw

M10 X 20 BATTERY CABLE CLAM PS TO LEFT REAR ENGINE MOUNT

1шт.

14M7167

Lock Nut

M10

1шт.

8A

R44302

Tie Band

3шт.

9

AT47069

Ground Cable

1шт.

10

19M7784

Screw

M10 X 20 ONE USED TO FASTEN BRAIDED G ROUND STRAP TO RIGHT REAR ENGINE MOUNT

5шт.

11

AT147408

Battery Cable

1шт.

12

AT147407

Battery Cable

1шт.

13

19M7658

Cap Screw

M10 X 50 BATTERY CABLE CLAMPS TO MAIN FRAME

2шт.

14

28H1600

Spacer

0.546" X 0.840" X 1"

2шт.

15

14M7166

Lock Nut

M8 (OUTSIDE BATTERY HOLD-DOWN ANGLE)

2шт.

14M7298

Flange Nut

M8 (INSIDE BATTERY HOLD-DOW N ANGLE WITH COATED CLAMPS)

2шт.

16

24M7298

Washer

8.400 X 25 X 2 mm (SUB FOR 24M7207)

4шт.

17

T107114

Cover

1шт.

18

T31161

Stud

2шт.

19

14H785

Nut

5/16"

2шт.

20

12H303

Lock Washer

5/16"

2шт.

21

TY6127

Dry Charged Battery

2шт.

22A

RE21742

Battery Cable

1шт.

22B

AT165189

Battery Cable

1шт.

23

T107115

Cover

2шт.

24

T121288

Angle

2шт.

25

T19935

Clamp

1шт.

26

N189220

Tie Band

(POSITIVE, SLEEVED BATTERY C ABLE TO LOWER RADIATOR HOSE)

1шт.

27

T134295

Sleeve

1шт.

28

R46414

Clamp

2шт.

29

R44302

Tie Band

(1-SECURE POSITIVE AND NEGATIVE CABLES TOG ETHER BETWEEN LEFT FRAME RAIL AND STARTER)

ARшт.

Выбрано товаров: 32