Запчасти John Deere 90ELC 6 - UPPER TRACK ROLLER 0130 Track Systems

Схема запчастей John Deere 90ELC - 6 - UPPER TRACK ROLLER 0130 Track Systems
FIT
1:1
100%

Артикул

Название

Примечание

Количество

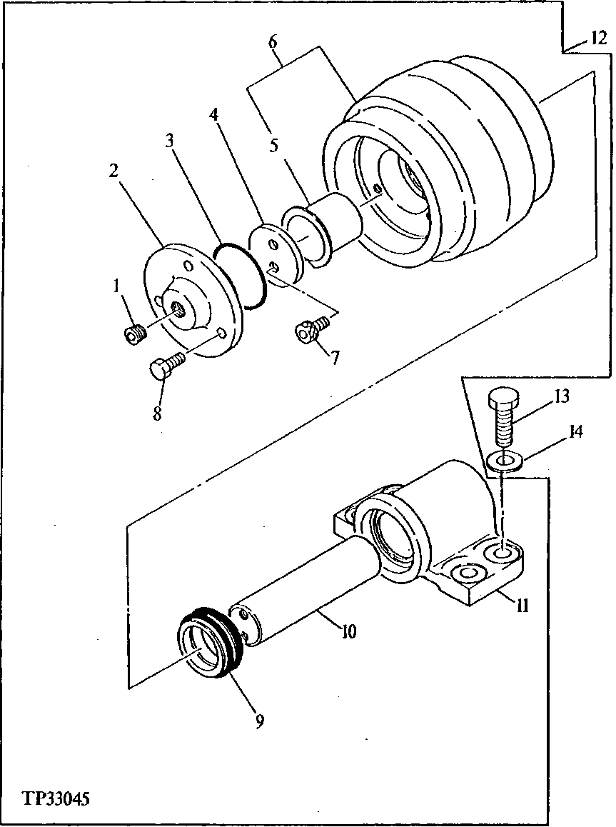
1

15H558

Pipe Plug

1/8"

1шт.

2

T139599

Cover

1шт.

3

F1649R

O-Ring

1шт.

4

T139471

Thrust Washer

1шт.

5

Bushing

(SUB AT152099)

2шт.

6

AT152099

Roller

1шт.

7

19H1648

Cap Screw

3/8" X 3/4"

2шт.

8

19M7167

Cap Screw

M10 X 25

4шт.

9

AT147477

Seal

1шт.

10

Shaft

(SUB AT152079)

1шт.

11

Support

(SUB AT152079)

1шт.

12

AT152079

Roller

1шт.

13

19M7488

Cap Screw

M16 X 40

4шт.

14

T497T

Washer

4шт.

R73290

Washer

4шт.

Выбрано товаров: 15