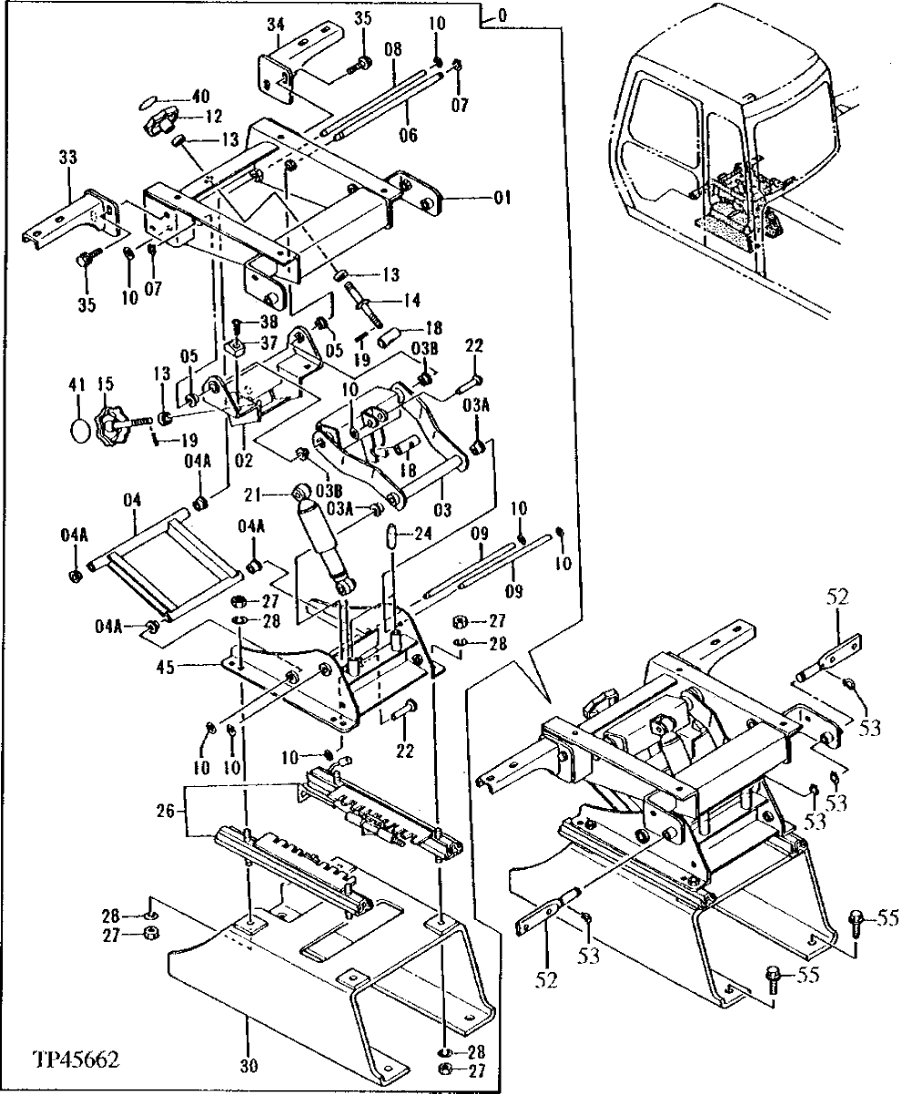
Запчасти John Deere 90ELC 193 - Seat Stand and Suspension (547854 - ) 1821 SEAT AND SEAT BELT

Схема запчастей John Deere 90ELC - 193 - Seat Stand and Suspension (547854 - ) 1821 SEAT AND SEAT BELT
FIT
1:1
100%

Артикул

Название

Примечание

Количество

0

9137994

Seat Suspension

(SUB FOR AT202170)

1шт.

1

Frame

1шт.

2

Bracket

1шт.

3

8056366

Link

(SUB FOR AT202164)(INCLUDES KEYS 3A AND 3B)

1шт.

3A

4331616

Bushing

(SUB FOR AT202141)

2шт.

3B

4313811

Bushing

(SUB FOR AT202128)

2шт.

4

8057533

Link

1шт.

4A

4331616

Bushing

(SUB FOR AT202141)

4шт.

5

4313811

Bushing

(SUB FOR AT202128)

2шт.

6

4313809

Pin

(SUB FOR AT202127)

1шт.

7

40M7068

Snap Ring

2шт.

8

4322829

Shaft

(SUB FOR AT202134)

1шт.

9

4322828

Shaft

(SUB FOR AT202133)

2шт.

10

H143731

Push Nut

(SUB FOR AT161766)

8шт.

12

4322392

Handle

(SUB FOR AT161771)

1шт.

13

950416

Ball Bearing

(SUB FOR AT202172)

3шт.

14

9743879

Bolt

(SUB FOR AT202384)

1шт.

15

9741883

Handle

(SUB FOR AT202177)

1шт.

18

4327179

Pin

(SUB FOR AT202136)

2шт.

19

4116300

Spring Pin

(SUB FOR AT202081)

2шт.

21

4327614

Torsional Damper

(SUB FOR AT202139)

1шт.

22

4315423

Rivet

(SUB FOR AT161765)

2шт.

24

4315425

Stop

(SUB FOR AT202130)

2шт.

26

4344229

Adjuster

(SUB FOR AT202158)

1шт.

27

14M7444

Nut

M10 (SUB FOR TH104196 AND J952010)

8шт.

28

12M7066

Lock Washer

10 mm

8шт.

30

7029561

Bracket

(SUB FOR AT202161)

1шт.

33

Bracket

1шт.

34

Bracket

1шт.

35

19M7402

Cap Screw

M10 X 25

4шт.

12M7066

Lock Washer

10 mm

4шт.

24M7028

Washer

10.500 X 20 X 2 mm

4шт.

37

4335253

Stop

(SUB FOR AT202152)

2шт.

38

21M7577

Socket Head Screw

M6 X 16 (SUB FOR AT201962 OR M440616)

2шт.

40

Identification Plate

1шт.

41

4322386

Seal

(SUB FOR AT161779)

1шт.

45

Frame

1шт.

52

3064981

Pin Fastener

(SUB FOR AT202072)

2шт.

53

40M1824

Snap Ring

4шт.

55

19M7402

Cap Screw

M10 X 25

4шт.

12M7066

Lock Washer

10 mm

4шт.

Выбрано товаров: 41