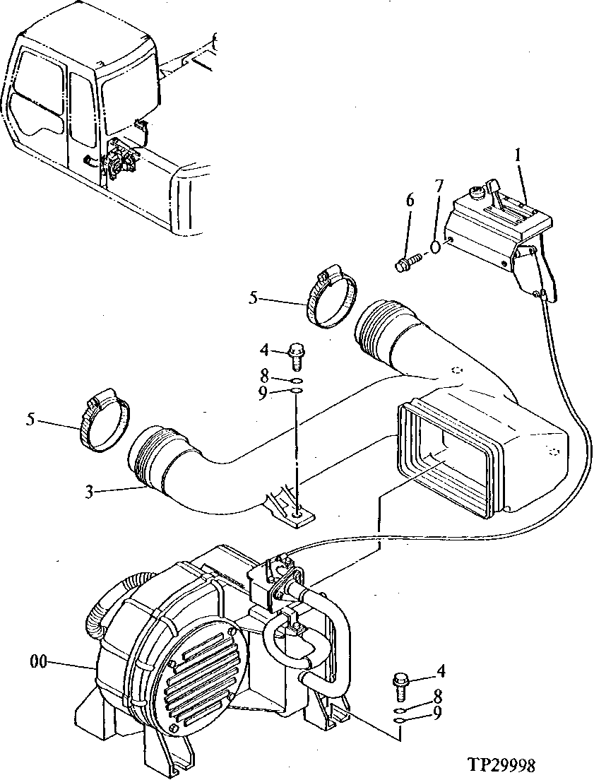
Запчасти John Deere 90ELC 198 - Heater ( - 002650) 1830 HEATING AND AIR CONDITIONING

Схема запчастей John Deere 90ELC - 198 - Heater ( - 002650) 1830 HEATING AND AIR CONDITIONING
FIT
1:1
100%

Артикул

Название

Примечание

Количество

0

Heater

(SUB 4363008 AND 4363028)( 4251649 NO LONGER AVAILABLE)

1шт.

Heater

(SUB AT181234 AND AT181226)( AT1727 58 NO LONGER AVAILABLE FOR SERVICE)

1шт.

4363008

Heater

(SUB FOR AT181234)

1шт.

1

4342342

Electronic Control Unit

(SUB FOR AT154304, 4266753)(INCLUDES CABLE) (SEE SEPARATE PAGE FOR DETAIL)

1шт.

4342342

Electronic Control Unit

(SUB FOR AT172752)(INCLUDES CABL E) (SEE SEPARATE PAGE FOR DETAIL)

1шт.

4363028

Control

(SUB FOR AT181226)(INCLUDES CABL E) (SEE SEPARATE PAGE FOR DETAIL)

1шт.

3

4263177

Air Duct

(SUB FOR AT154287)

1шт.

4

19M7662

Cap Screw

M10 X 30

7шт.

5

TY22472

Clamp

(SUB FOR AT145651)

2шт.

6

19M7881

Screw

M8 X 20

2шт.

7

12M7056

Lock Washer

8 mm (SUB FOR 12M7065)

2шт.

8

12M7066

Lock Washer

10 mm

7шт.

9

24M7028

Washer

10.500 X 20 X 2 mm

7шт.

Выбрано товаров: 13