Запчасти John Deere 90ELC 204 - AIR CONDITIONING AND HEATER CONTROLS ( - 541550) 1830 HEATING AND AIR CONDITIONING

Схема запчастей John Deere 90ELC - 204 - AIR CONDITIONING AND HEATER CONTROLS ( - 541550) 1830 HEATING AND AIR CONDITIONING
FIT
1:1
100%

Артикул

Название

Примечание

Количество

0

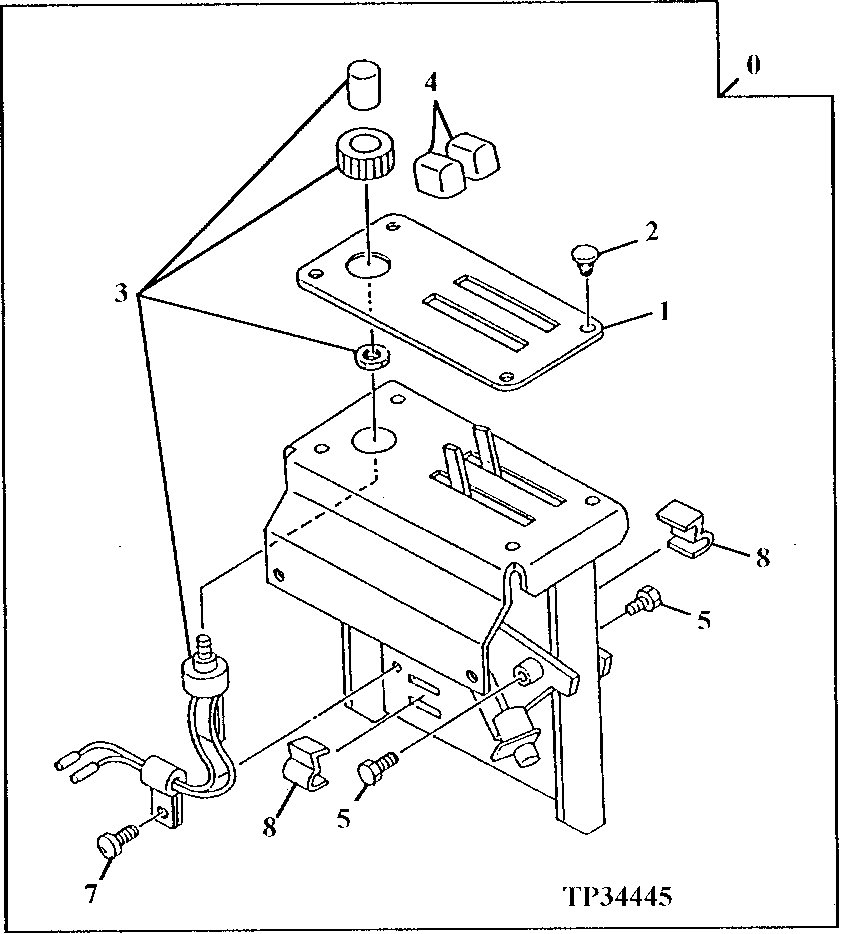
4281181

Control

(SUB FOR AT155319)

1шт.

1

4302682

Plate

(SUB FOR AT155627)

1шт.

2

4302681

Clamp

(SUB FOR AT155628)

4шт.

3

4302680

Switch

(SUB FOR AT155629)

1шт.

4

4302679

Knob

(SUB FOR AT155630)

2шт.

5

4302678

Cap Screw

(SUB FOR AT155631)

2шт.

7

4302676

Screw

(SUB FOR AT155633)

1шт.

8

4302675

Clamp

(SUB FOR AT155634)

2шт.

Выбрано товаров: 8