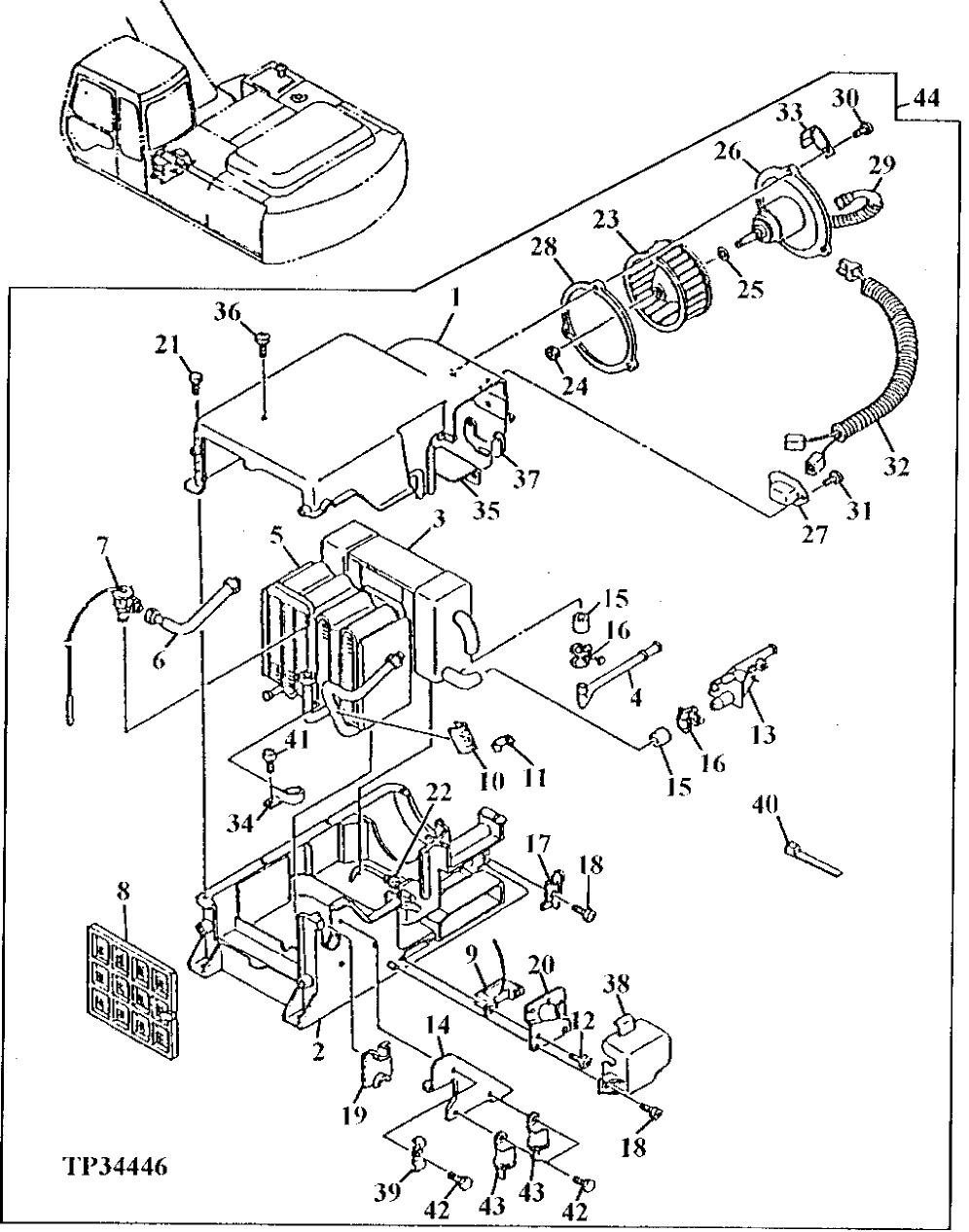
Запчасти John Deere 90ELC 205 - Air Conditioner and Heater ( - 541550) 1830 HEATING AND AIR CONDITIONING

Схема запчастей John Deere 90ELC - 205 - Air Conditioner and Heater ( - 541550) 1830 HEATING AND AIR CONDITIONING
FIT
1:1
100%

Артикул

Название

Примечание

Количество

1

4235886

Case

(SUB FOR AT162131)

1шт.

2

4302707

Case

(SUB FOR AT162132)

1шт.

3

4353526

Core

(SUB FOR AT162133 AND 4235888)

1шт.

4

4302706

Line

(SUB FOR AT162134)

1шт.

5

4302705

Evaporator

(R-12) (SUB FOR AT162135)

1шт.

4353527

Evaporator

(HFC-134A) (SUB FOR AT191436)

1шт.

6

4302704

Tube

(R-12) (SUB FOR AT162136)

1шт.

4353528

Structural Tube

(HFC-134A) (SUB FOR AT191437)

1шт.

7

4235892

Flow Control Hyd. Valve

(R-12) (SUB FOR AT162137)

1шт.

4350271

Flow Control Hyd. Valve

(HFC-134A) (SUB FOR AT191438)

1шт.

8

4302703

Air Filter

(SUB FOR AT162138)

1шт.

9

4235893

Thermostat

(SUB FOR AT162139)

1шт.

10

Seal

1шт.

11

4235894

Holder

(SUB FOR AT162140)

1шт.

12

Screw

2шт.

13

4302701

Flow Control Hyd. Valve

(SUB FOR AT162141)

1шт.

14

4302700

Bracket

(SUB FOR AT162142)

1шт.

15

Bulk Hose

(FURNISH TY22328 BULK MATERIAL, CUT TO LENGTH) (SUB FOR AT162143 OR 4235896)

1шт.

16

Clamp

1шт.

17

4235898

Clamp

(SUB FOR AT162144)

1шт.

18

Screw

8шт.

19

4302699

Plate

(SUB FOR AT162145)

1шт.

20

4302698

Bracket

(SUB FOR AT162146)

1шт.

21

Cap Screw

8шт.

22

4302696

Bushing

(SUB FOR AT162147)

1шт.

23

4235899

Fan

(SUB FOR AT162148)

1шт.

24

Nut

1шт.

25

Washer

1шт.

26

4302695

Electric Motor

(SUB FOR AT162149)

1шт.

27

4302694

Resistor

(SUB FOR AT162150)

1шт.

28

4302693

Packing

(SUB FOR AT162151)

1шт.

29

4235902

Line

(SUB FOR AT162152)

1шт.

30

Screw

3шт.

31

Screw

3шт.

32

4302691

Wire

(SUB FOR AT162153)

1шт.

33

4302690

Clamp

(SUB FOR AT162154)

1шт.

34

4235905

Clamp

(SUB FOR AT162155)

1шт.

35

4302689

Plate

(SUB FOR AT162156)

1шт.

36

Screw

2шт.

37

4302687

Spacer

(SUB FOR AT162157)

1шт.

38

4235907

Cover

(SUB FOR AT162158)

1шт.

39

4302686

Clamp

(SUB FOR AT162159)

1шт.

40

Tie Band

1шт.

41

Screw

2шт.

42

Screw

4шт.

43

4302683

Relay

(SUB FOR AT162160)

2шт.

44

Air Conditioner

(R-12) ( AT155317 NO LONGER AVAILABLE) NO TE: FOR REPLACEMENT CONTACT "RED DOT"CORP

1шт.

Air Conditioner

(HFC-134A)

1шт.

Выбрано товаров: 0