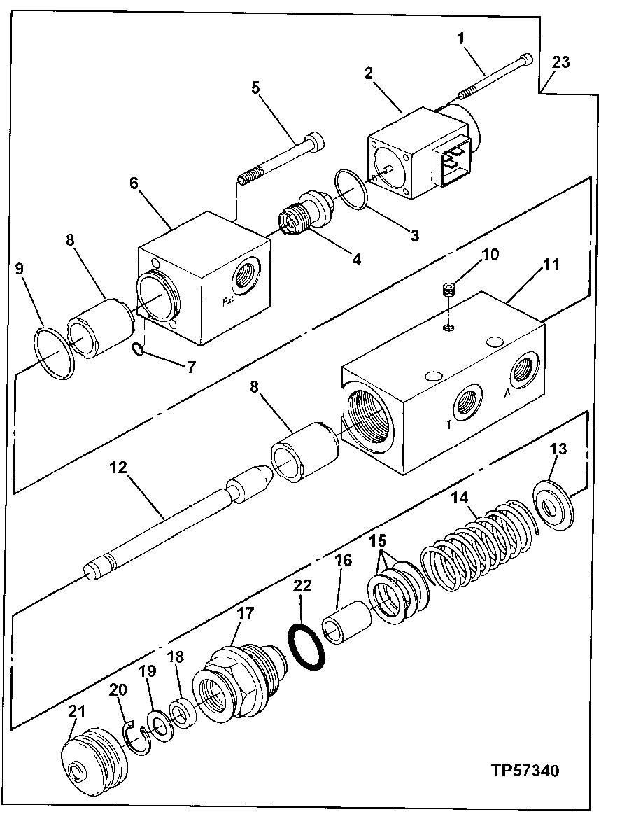
Запчасти John Deere 90ELC 258 - ENGINE SPEED CONTROL ACTUATOR 2160 HYDRAULIC SYSTEM

Схема запчастей John Deere 90ELC - 258 - ENGINE SPEED CONTROL ACTUATOR 2160 HYDRAULIC SYSTEM
FIT
1:1
100%

Артикул

Название

Примечание

Количество

1

19M8812

Screw

M4 X 50

4шт.

2

AT152024

Solenoid

1шт.

3

T49819

O-Ring

1шт.

4

Valve

(SUB AT147259)

1шт.

5

19M8265

Screw

M6 X 50

2шт.

6

Housing

(SUB AT147259)

1шт.

7

T74496

O-Ring

1шт.

8

Piston

(SUB AT147259)

2шт.

9

T77072

O-Ring

1шт.

10

22M7111

Set Screw

M6 X 6

1шт.

11

Housing

(SUB AT147259)

1шт.

12

T139518

Rod

1шт.

13

T139519

Plate

1шт.

14

Spring

(SUB AT147259)

1шт.

15

24M7155

Shim

ARшт.

16

Bushing

(SUB AT147259)

1шт.

17

T139522

Screw

1шт.

18

T139523

Ring

1шт.

19

T139524

Washer

1шт.

20

40M7241

Snap Ring

1шт.

21

T139525

Boot

1шт.

22

T106291

O-Ring

34.65 MM X 1.8 MM (1.364" X 0.07")

1шт.

L55580

O-Ring

33 X 2 mm (1.299" X 0.079")

1шт.

23

AT147259

Actuator

1шт.

Выбрано товаров: 24