Запчасти John Deere 90ELC 297 - RETURN MANIFOLD HYDRAULICS (556936 - ) 2160 HYDRAULIC SYSTEM

Схема запчастей John Deere 90ELC - 297 - RETURN MANIFOLD HYDRAULICS (556936 - ) 2160 HYDRAULIC SYSTEM
FIT
1:1
100%

Артикул

Название

Примечание

Количество

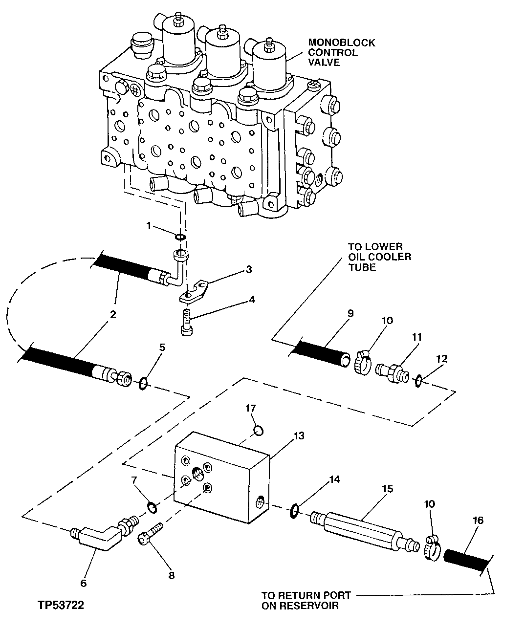
1

T78313

O-Ring

1шт.

2

AT178082

Hydraulic Hose

1" X 533 mm (21") X 36.5252" TO "T" PORT

1шт.

3

H61354

Flange Fitting

2шт.

4

19M8881

Screw

M10 X 30

4шт.

5

T76938

O-Ring

23.520 X 1.780 mm (0.926" X 0.070")

1шт.

6

38H1325

Elbow Fitting

TO "S2" PORT

1шт.

7

U13639

O-Ring

37.465 X 2.997 mm (1.475" X 0.118")

1шт.

8

19M8281

Screw

M12 X 70

4шт.

9

T160397

Hydraulic Hose

1шт.

10

AT152191

Hose Clamp

2шт.

11

T29839

Fitting

TO "OC" PORT

1шт.

12

U13639

O-Ring

37.465 X 2.997 mm (1.475" X 0.118")

1шт.

13

AT177946

Manifold

1шт.

AT177948

Check Valve

(NOT ILLUSTRATED) (IN PORT ON TOP SIDE OF RETURN MANIFOLD)

1шт.

U13639

O-Ring

37.465 X 2.997 mm (1.475" X 0.118") (NOT ILLUSTRATED) (ON CHECK VALVE TO MANIFOLD)

1шт.

14

R26773

O-Ring

43.688 X 2.997 mm (1.720" X 0.118")

1шт.

15

AT177941

Pressure Relief Valve

1шт.

16

T160396

Hydraulic Hose

1шт.

17

B3690R

O-Ring

47.219 X 3.531 mm (1-55/64" X 0.139") TO "T" PORT OF MAIN HYD CONTROL VALVE

1шт.

Выбрано товаров: 19