Запчасти John Deere 90ELC 314 - Severe Duty Cast Lip Bucket (Also Order Bucket Tooth Assemblies) 3302 Bucket With Teeth

Схема запчастей John Deere 90ELC - 314 - Severe Duty Cast Lip Bucket (Also Order Bucket Tooth Assemblies) 3302 Bucket With Teeth
FIT
1:1
100%

Артикул

Название

Примечание

Количество

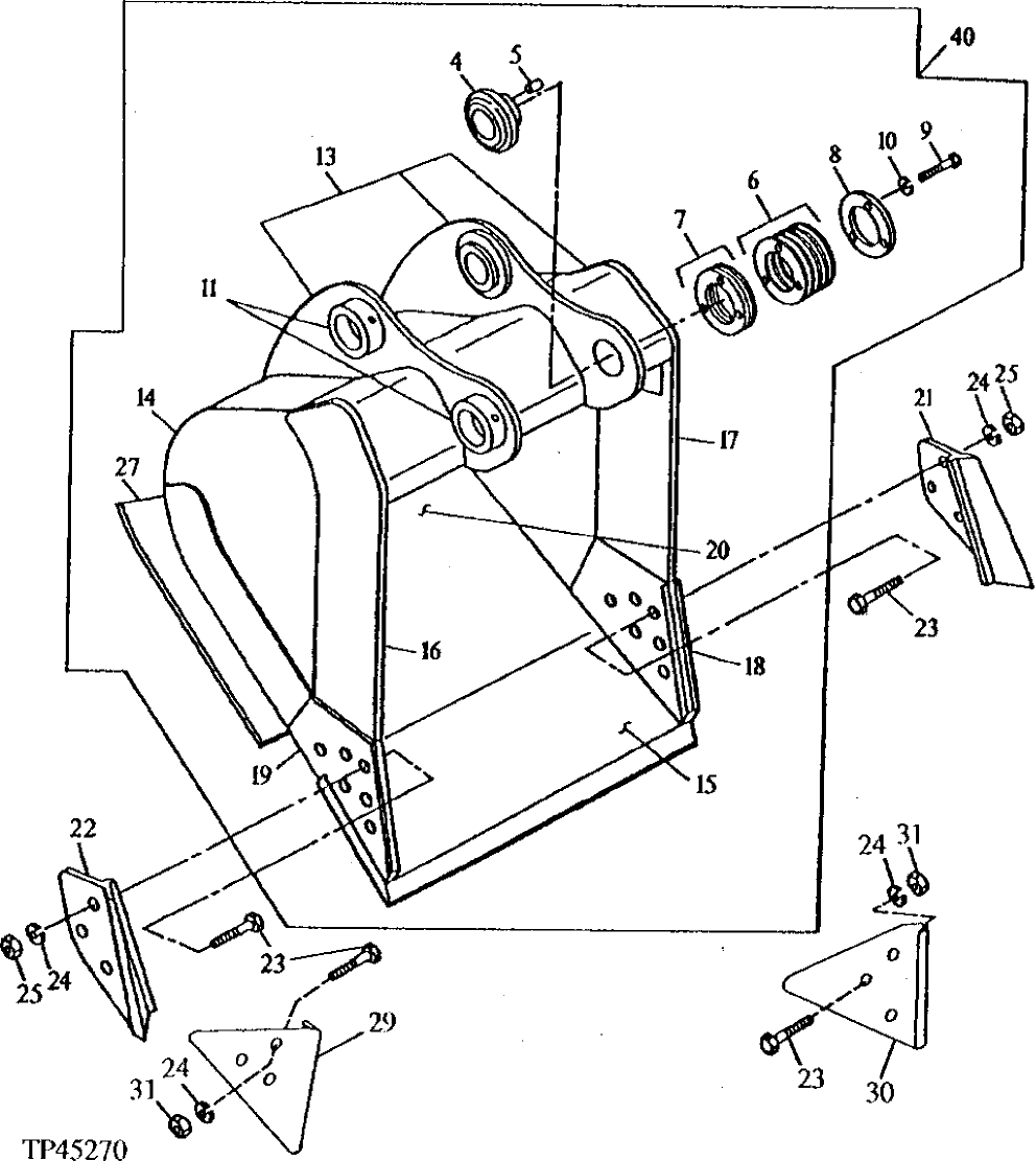
4

Self-Aligning Bushing

(1 INCH HEAD THICKNESS) ( AT131083 NLA)

1шт.

5

R48685

Dowel Pin

1шт.

6

TH104512

Washer

9шт.

7

TH104513

Shim

1шт.

8

TH104514

Spacer

1шт.

9

19H2706

Cap Screw

5/8" X 2"

3шт.

10

12H294

Lock Washer

5/8"

3шт.

11

TH104509

Bushing

(LOCKING COLLAR)

2шт.

13

C607480

Pivot

(F) (BUCKET EAR BLANK ASSEMBLY)

1шт.

14

305511

Plate

(F) (RIGHT AND LEFT SIDE)

2шт.

15

Cutting Edge

(CUT TO LENGTH FROM AT131097)

1шт.

16

305512

Vertical Cutter

(F) (UPPER RIGHT SIDE)

1шт.

17

305513

Vertical Cutter

(F) (UPPER LEFT SIDE)

1шт.

18

305531

Vertical Cutter

(F) (LEFT INSERT)

1шт.

19

305530

Vertical Cutter

(F) (RIGHT INSERT)

1шт.

20

605990

Moldboard

(F) (30 INCH)

1шт.

605991

Moldboard

(F) (36 INCH)

1шт.

21

Cutting Edge

(K) (SUB AT131085)

1шт.

22

Cutting Edge

(K) (SUB AT131085)

1шт.

23

09H1771

Bolt

(K) 7/8" X 3" (K2)

6шт.

24

12H245

Lock Washer

(K) 7/8" (K2)

6шт.

25

14H1077

Nut

(K) 7/8"

6шт.

27

605995

Bar

(F) (USE WITH 30 INCH BUCKET)

1шт.

605996

Bar

(F) (USE WITH 36 INCH BUCKET)

1шт.

29

Shroud

(WEAR SHROUD) (SUB AT167876 (K2))

1шт.

30

Shroud

(WEAR SHROUD) (SUB AT167876 (K2))

1шт.

31

14H1044

Nut

7/8" (K2)

1шт.

40

Excavator Bucket

(SUB AT332699)(30 INCH - .77 CUBIC YARD) (AVAILABLE TOOTH ASSEMBLIES ON SEPARATE PA GE) ( AT131115, AT131216 OR AT163624 NLA)

1шт.

Excavator Bucket

(SUB AT332700)( AT131116, AT131217 OR AT 163625 NLA) (36 INCH - .95 CUBIC YARD) (AV AILABLE TOOTH ASSEMBLIES ON SEPARATE PAGE)

1шт.

AT131085

End Bit

INCLUDES ALL (K) PARTS

1шт.

AT167876

Kit

INCLUDES ALL (K) PARTS

1шт.

Выбрано товаров: 0