Запчасти John Deere 90ELC 348 - BOOM CYLINDER TUBES AND CLAMPS 3360 HYDRAULIC SYSTEM

Схема запчастей John Deere 90ELC - 348 - BOOM CYLINDER TUBES AND CLAMPS 3360 HYDRAULIC SYSTEM
FIT
1:1
100%

Артикул

Название

Примечание

Количество

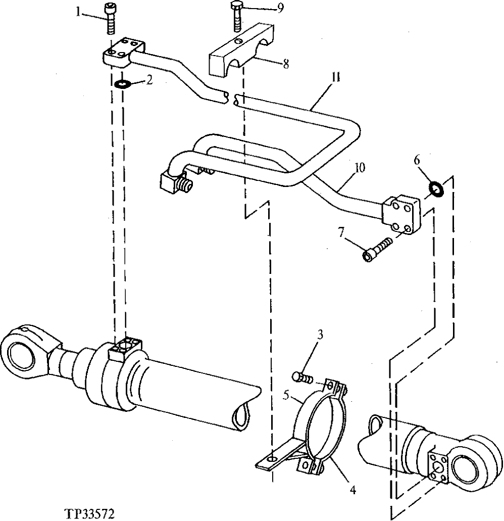
1

19M8441

Screw

M10 X 60

4шт.

2

T59014

O-Ring

1шт.

3

19M7169

Cap Screw

M10 X 35

2шт.

4

H144534

Clamp

1шт.

5

AH138634

Clamp

1шт.

6

T78313

O-Ring

1шт.

7

19M8489

Screw

M12 X 65

4шт.

8

T142128

Clamp

1шт.

9

19M7331

Cap Screw

M12 X 65

1шт.

10

AH138404

Oil Tube

HEAD END RIGHT

1шт.

AH138403

Oil Tube

HEAD END LEFT (NOT ILLUSTRATED)

1шт.

11

AH138406

Oil Tube

ROD END RIGHT

1шт.

AH138405

Oil Tube

ROD END LEFT (NOT ILLUSTRATED)

1шт.

Выбрано товаров: 13