Запчасти John Deere 0 6 - ENGINE AUXILIARY SYSTEMS 510 - ENGINE AUXILIARY SYSTEM 5

Схема запчастей John Deere 0 - 6 - ENGINE AUXILIARY SYSTEMS 510 - ENGINE AUXILIARY SYSTEM 5
FIT
1:1
100%

Артикул

Название

Примечание

Количество

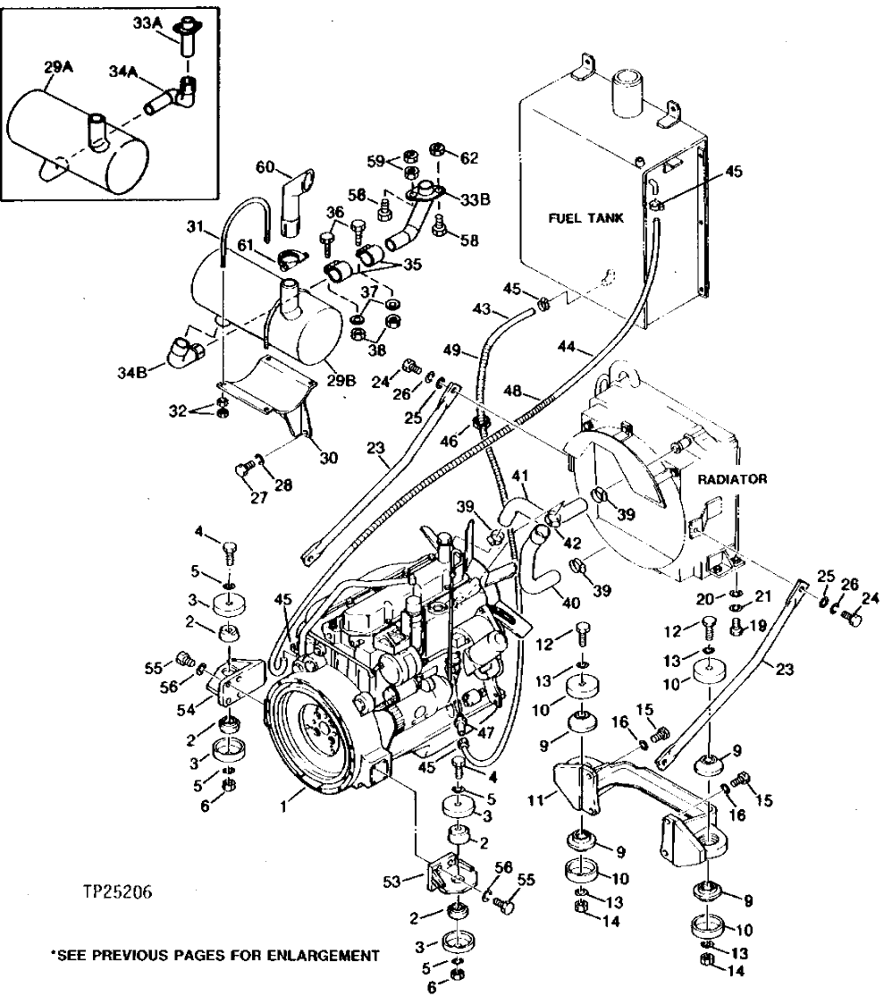
1

RE24268

ENGINE

COMPLETE

1шт.

2

4184341

ISOLATOR

(SUB FOR TH106407)

4шт.

3

4164248

STOP

(SUB FOR TH100888)

4шт.

4

J931804

BOLT

(SUB FOR TH100889)

2шт.

5

4114406

WASHER

(SUB FOR TH100891)

4шт.

6

J951018

NUT

(SUB FOR TH100890)

2шт.

9

4177883

ISOLATOR

(SUB FOR TH106408)

4шт.

10

4169423

RETAINER

(SUB FOR TH106409)

4шт.

11

7017088

HOUSING

(SUB FOR TH106410)

1шт.

12

19M8043

CAP SCREW

(SUB FOR TH106411)

2шт.

13

4114405

WASHER

(SUB FOR TH101105)

4шт.

14

14M7276

NUT

M16

2шт.

15

19H2706

CAP SCREW

5/8" X 2", (SUB FOR 19H1734)

4шт.

16

12H294

LOCK WASHER

5/8", (SUB FOR TH100886)

4шт.

19

19M8011

CAP SCREW

M12 X 30

4шт.

20

24H1748

WASHER

1/2" X 1-1/4" X 0.105"

4шт.

21

12H301

LOCK WASHER

1/2"

4шт.

23

3035843

BRACE

(SUB FOR TH106413)

2шт.

24

19M8035

CAP SCREW

M16 X 35

4шт.

25

24M7053

WASHER

17 X 30 X 3 MM, (SUB FOR TH100520)

4шт.

26

12H294

LOCK WASHER

5/8"

4шт.

27

19H3483

CAP SCREW

3/8" X 1-1/8"

3шт.

28

12H304

LOCK WASHER

3/8", (SUB FOR TH101070)

3шт.

29A

4201070

MUFFLER

(SUB FOR TH106414) (WITHOUT BLADE)(SUB 4201070 ALSO ORDER 8038044 AND 8038045)

1шт.

4201070

MUFFLER

(SUB FOR TH106414) (WITH BLADE)(SUB 4201070 ALSO ORDER 8038044 AND 8038045)

1шт.

29B

4201070

MUFFLER

(WITHOUT BLADE) (SUB FOR TH106414) (SUB FOR TH107993)

1шт.

4201070

MUFFLER

(WITH BLADE) (SUB FOR TH106414) (SUB FOR TH107993)

1шт.

30

7017128

BRACKET

(SUB FOR TH106415)

1шт.

31

4140612

U-BOLT

(SUB FOR TH106046)

2шт.

32

14M7274

NUT

M10

8шт.

33A

9725722

EXHAUST PIPE

(SUB FOR TH106416) (WITHOUT BLADE)

1шт.

9725722

EXHAUST PIPE

(SUB FOR TH106416) (WITH BLADE)

1шт.

33B

8038044

LINE

(SUB FOR TH107994) (WITHOUT BLADE)

1шт.

8038044

LINE

(SUB FOR TH107994) (WITH BLADE)

1шт.

34A

TH106417

PIPE

(WITHOUT BLADE)

1шт.

TH106417

PIPE

(WITH BLADE)

1шт.

34B

8038045

LINE

(SUB FOR TH107995) (WITHOUT BLADE)

1шт.

8038045

LINE

(SUB FOR TH107995) (WITH BLADE)

1шт.

35

4108754

CLAMP

(SUB FOR TH105997)

2шт.

36

19M7550

CAP SCREW

M10 X 35

4шт.

37

12M7066

LOCK WASHER

10 MM, (SUB FOR TH100417)

4шт.

38

14M7274

NUT

M10

4шт.

39

TY22472

CLAMP

(SUB FOR AT145651 OR AR21999 OR AR21840)

3шт.

40

3035844

RADIATOR HOSE

(SUB FOR TH106418)

1шт.

41

3035845

RADIATOR HOSE

(SUB FOR TH106419)

1шт.

42

TY22470

CLAMP

(SUB FOR TH101905) (SUB FOR AR65293)

1шт.

43

HOSE

( TH106420 NO LONGER AVAILABLE) (CUT TO LENGTH FROM M87571 BULK MATERIAL)

1шт.

44

HOSE

( TH106421 NO LONGER AVAILABLE) (CUT TO LENGTH FROM M87571 BULK MATERIAL)

1шт.

45

TY22464

CLAMP

(SUB FOR TH100896 AND AT145649) (SUB FOR AR21836)

4шт.

46

H77698

TIE BAND

(SUB FOR TH106422)

1шт.

47

R67293

FITTING

(SUB FOR TH100897)

1шт.

48

T83427

CONDUIT

1шт.

49

OIL TUBE

( TH106423 NO LONGER AVAILABLE) (CUT TO LENGTH FROM T83427 BULK MATERIAL)

1шт.

53

8028462

BRACKET

(SUB FOR TH100892)

1шт.

54

8036053

BRACKET

(SUB FOR TH106424)

1шт.

55

19H2993

CAP SCREW

1/2" X 1-1/2"

8шт.

56

12H301

LOCK WASHER

1/2", (SUB FOR TH100893)

8шт.

58

19M8499

CAP SCREW

M10 X 60

2шт.

59

14M7274

NUT

M10

4шт.

60

TH112118

EXHAUST PIPE

(SUB FOR TH106425)

1шт.

61

4043264

CLAMP

(SUB FOR TH106426)

1шт.

62

M660010

NUT

(SUB FOR TH105701)

1шт.

Выбрано товаров: 62