Запчасти John Deere 0 38 - CONTROL VALVE 2160 - MAIN HYDRAULIC SYSTEM 21

Схема запчастей John Deere 0 - 38 - CONTROL VALVE 2160 - MAIN HYDRAULIC SYSTEM 21
FIT
1:1
100%

Артикул

Название

Примечание

Количество

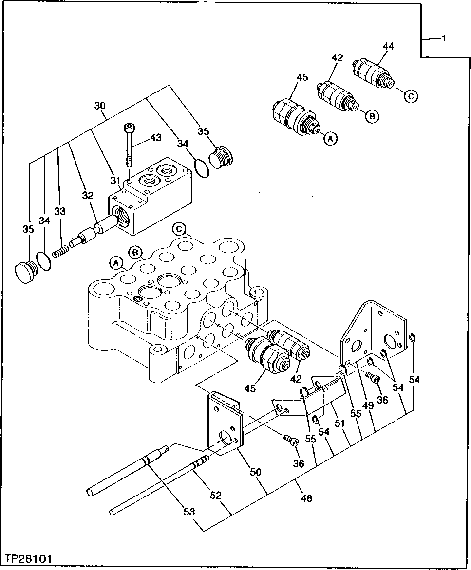
1

4192370

CONTROL VALVE

(SUB FOR TH106471) (CONTAINS ALL ITEMS ON THIS PAGE, FOR ADDITIONAL COMPONENTS SEE PREVIOUS PAGE)

1шт.

30

4187677

VALVE

(SUB FOR TH106116)

1шт.

31

HOUSING

(SUB TH106116)

1шт.

32

SPOOL

(SUB TH106116)

1шт.

33

0289408

SPRING

(SUB FOR TH105816)

1шт.

34

4506418

O-RING

(SUB FOR TH100061) (SUB FOR U46489)

2шт.

35

0225216

FITTING PLUG

(SUB FOR TH105757)

2шт.

36

19M7768

SCREW

M6 X 16, (SUB FOR TH105832)

6шт.

42

4187673

RELIEF VALVE

(SUB FOR TH106113)

2шт.

43

19M8554

SCREW

M8 X 65

5шт.

44

4187675

RELIEF VALVE

(SUB FOR TH106115)

1шт.

45

4187674

RELIEF VALVE

(SUB FOR TH106114)

2шт.

48

4187676

LINK

(SUB FOR TH106845)

1шт.

49

BRACKET

( TH105826 NO LONGER AVAILABLE)

1шт.

50

BRACKET

( TH105827 NO LONGER AVAILABLE)

1шт.

51

LINK

( TH105817 NO LONGER AVAILABLE)

1шт.

52

BAR

( TH105818 NO LONGER AVAILABLE)

1шт.

53

BAR

( TH105819 NO LONGER AVAILABLE)

1шт.

54

SNAP RING

( TH105620 NO LONGER AVAILABLE)

4шт.

55

40M7202

SNAP RING

(SUB FOR TH103809) (SUB FOR 40M1819)

2шт.

Выбрано товаров: 20