Запчасти John Deere 0 8 - BUCKET 3302 - EXCAVATOR 33

Схема запчастей John Deere 0 - 8 - BUCKET 3302 - EXCAVATOR 33
FIT
1:1
100%

Артикул

Название

Примечание

Количество

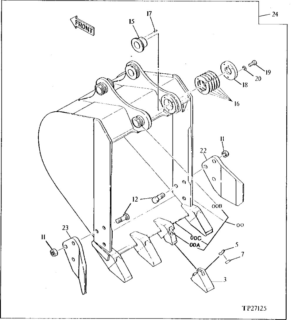
0

EXCAVATOR BUCKET

1шт.

0A

EX23574X22

BUCKET TOOTH ADAPTER

(SUB FOR TH106697 OR 4135495)

4шт.

0B

4197029

BUSHING

(SUB FOR TH110545)

2шт.

0C

T114898

CUTTING EDGE

1шт.

3

T22S

TOOTH

(SUB FOR TH106698 OR 4135496)

4шт.

5

4479842

U-JOINT LOCK PIN

(SUB FOR TH106699 OR 4135497)

4шт.

7

4135498

LOCK

(SUB FOR TH106700)

4шт.

11

14M7306

NUT

M20

6шт.

12

4152074

CAP SCREW

(SUB FOR TH106703)

6шт.

15

3037352

BUSHING

(SUB FOR TH110420)

1шт.

16

4197838

WASHER

(SUB FOR TH110554)

5шт.

17

4198156

PIN FASTENER

(SUB FOR TH110563)

1шт.

18

4197837

PLATE

(SUB FOR TH110553)

1шт.

19

19M7550

CAP SCREW

M10 X 35

3шт.

20

12M7066

LOCK WASHER

10 MM

3шт.

22

3053595

CUTTING EDGE

(SUB FOR TH110430)

1шт.

23

3053596

CUTTING EDGE

(SUB FOR TH110431)

1шт.

24

EXCAVATOR BUCKET

( TH110185 NO LONGER AVAILABLE)

1шт.

Выбрано товаров: 18