Качественные детали и логистика
Оригинальные и аналоговые запчасти с доставкой по России, Казахстану и Беларуси
©2022 PartSell ООО "Система" ИНН 2463123282 ОГРН 1212400004838
Центральный офис: г. Красноярск, Академика Киренского, д.87, пом.4
Телефон: 8 (800) 777-65-74 Email: zakaz@partsell.ru
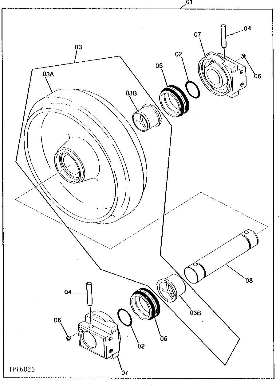
14 - FRONT IDLER
№
Артикул
Название
Примечание
Количество
1
IDLER
( TH106674 NO LONGER AVAILABLE) (ORDER INDIVIDUAL COMPONENTS)
2шт.
2
CH13520
PACKING
(SUB FOR TH100409)
3
ROLLER
( 9060781 NO LONGER AVAILABLE)
1шт.
3A
(SUB TH106264)
3B
4135607
BUSHING
(SUB FOR TH106024)
4
4135606
PIN
(SUB FOR TH106023)
5
AT128492
SEAL KIT
(SUB FOR TH100439)
6
94-2011
FITTING PLUG
(SUB FOR TH100434)
7
2016361
BRACKET
(SUB FOR TH105871)
8
3024582
AXLE
(SUB FOR TH105893)
Выбрано товаров: 0