Запчасти John Deere 0D 60 - BLADE CONTROL VALVE 3360 - EXCAVATOR 33

Схема запчастей John Deere 0D - 60 - BLADE CONTROL VALVE 3360 - EXCAVATOR 33
FIT
1:1
100%

Артикул

Название

Примечание

Количество

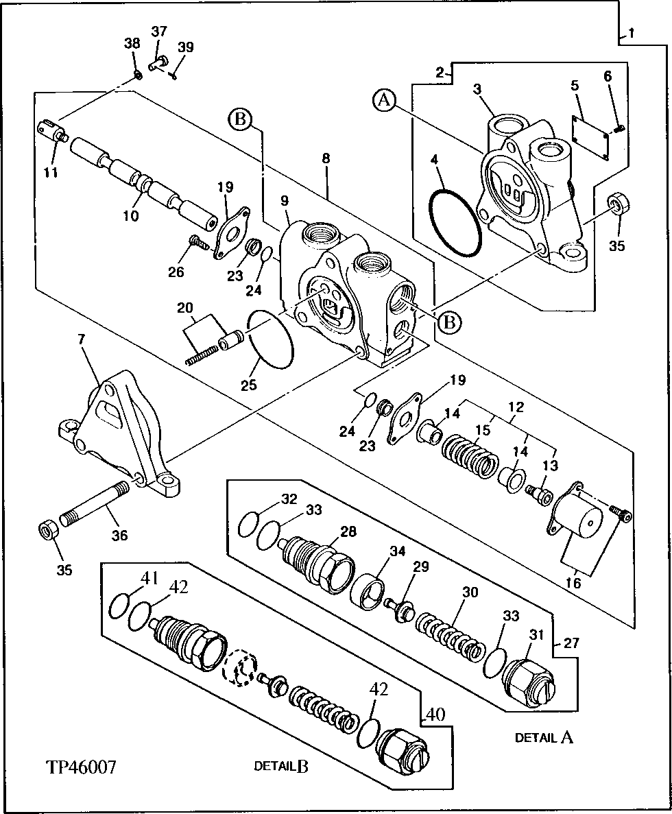
1

4169915

HYD ACTUATED CONTROL VALVE

(SUB FOR TH106091) (BLADE)

1шт.

2

0218601

FLOW CONTROL HYD. VALVE

(SUB FOR TH106882) INLET

1шт.

3

HOUSING

(SUB TH106882) INLET AND OUTLET ( TH106883 NO LONGER AVAILABLE)

1шт.

4

CH17260

PACKING

1шт.

5

PLATE

(SUB TH106882)

1шт.

6

SCREW

(SUB TH106882)

4шт.

7

0295601

FLOW CONTROL HYD. VALVE

(SUB FOR TH106884) OUTLET

1шт.

8

VALVE

( TH106885 NO LONGER AVAILABLE) (SUB TH106091)

1шт.

9

HOUSING

(SUB TH106885)

1шт.

10

SPOOL

(SUB TH106885)

1шт.

11

0219003

YOKE

(SUB FOR TH106886)

1шт.

12

0295603

SPOOL VALVE

(SUB FOR TH106887) WITH SEAT

1шт.

13

SCREW

(SUB TH106887)

1шт.

14

PLATE

(SUB TH106887)

2шт.

15

SPRING

(SUB TH106887)

1шт.

16

0295604

CAP

(SUB FOR TH106888) WITH CAP SCREW

1шт.

19

0219008

PLATE

(SUB FOR TH106889)

2шт.

20

0295605

FLOW CONTROL HYD. VALVE

(SUB FOR TH106890) CHECK WITH SPRING

1шт.

23

0219011

SEAL

(SUB FOR TH106891)

2шт.

24

CH10568

PACKING

2шт.

25

CH17260

PACKING

1шт.

26

21M7278

SCREW

M5 X 10, (SUB FOR TH106892)

2шт.

27

4189102

PRESSURE RELIEF VALVE

(SUB FOR TH106893)

1шт.

28

HOUSING

(SUB TH106893)

1шт.

29

POPPET

(SUB TH106893)

1шт.

30

SPRING

(SUB TH106893)

1шт.

31

ADJUSTER

(SUB TH106893)

1шт.

32

CH11570

O-RING

3шт.

33

4506418

O-RING

17.800 X 2.400 MM (0.701" X 0.094") (SUB FOR U46489)

3шт.

34

PLATE

(SUB TH106893)

1шт.

35

14M7273

NUT

M8, (SUB FOR TH106894)

6шт.

36

0295606

STUD

(SUB FOR TH106895)

3шт.

37

0295608

PIN

(SUB FOR TH108148)

1шт.

38

24M7043

WASHER

12 X 25 X 3 MM, (SUB FOR TH108149 OR 0295609)

1шт.

39

11M7075

COTTER PIN

1.200 X 12 MM (0.047" X 0.472") (SUB FOR TH108150)

1шт.

40

4341562

RELIEF VALVE

(SUB FOR TH106893, THIS APPLICATION) (SUB FOR AT169410)

2шт.

41

CH11570

O-RING

1шт.

42

4506418

O-RING

17.800 X 2.400 MM (0.701" X 0.094") (SUB FOR U46489)

2шт.

Выбрано товаров: 38