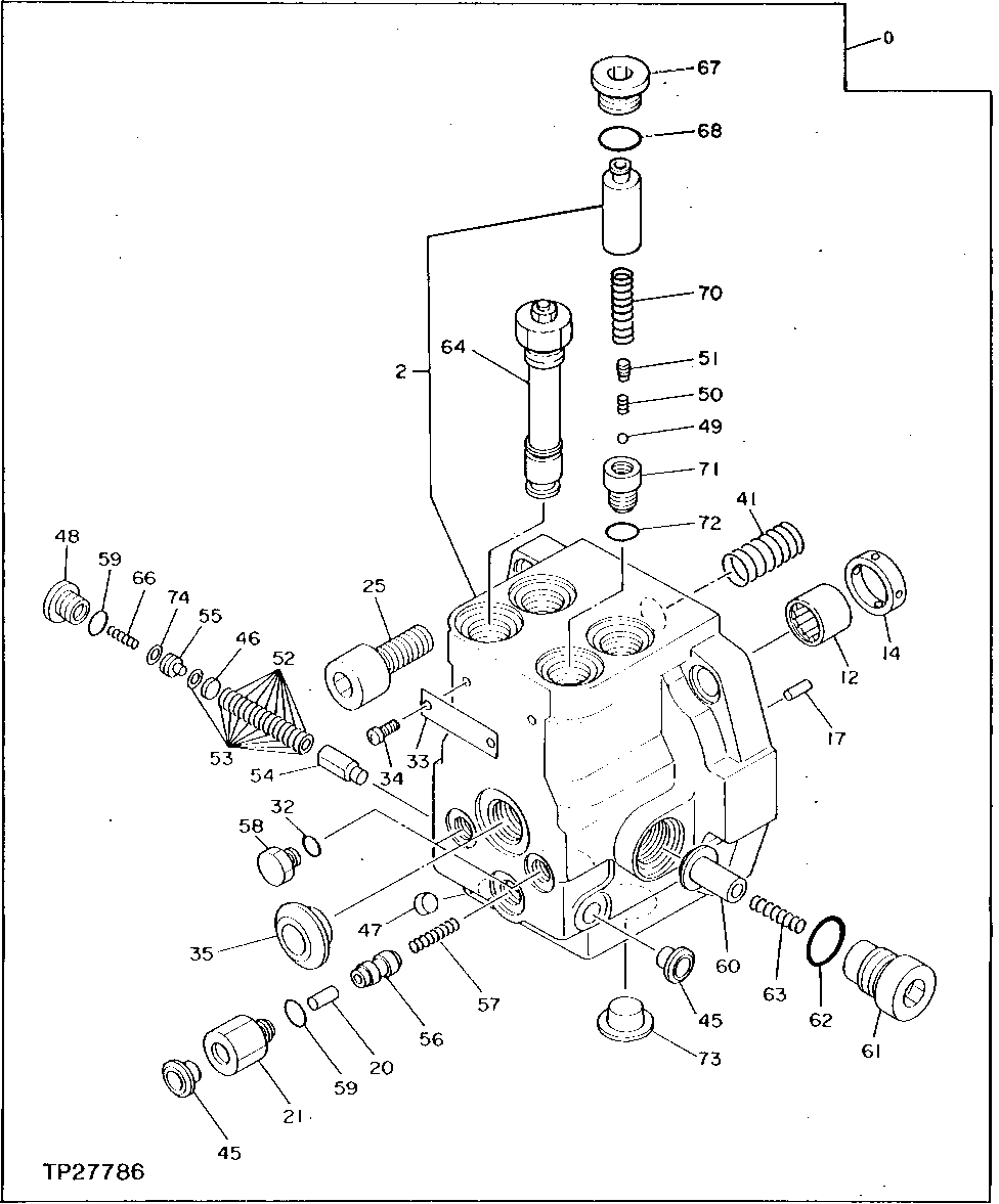
Запчасти John Deere 0D 6 - SWING MOTOR 4360 - SWING, ROTATION OR PIVOTING SYSTEM 43

Схема запчастей John Deere 0D - 6 - SWING MOTOR 4360 - SWING, ROTATION OR PIVOTING SYSTEM 43
FIT
1:1
100%

Артикул

Название

Примечание

Количество

0

MOTOR

(CONTAINS ALL ITEMS ON THIS PAGE, FOR ADDITIONAL COMPONENTS SEE PREVIOUS PAGES) (SUB TH111894, ALONG WITH TH109540 ELBOW AND TH100055 O-RING)

1шт.

4224977

HYDRAULIC MOTOR

(USE WITH TH109540 AND TH100055) (SUB FOR TH111894) (CONTAINS ALL ITEMS ON THIS PAGE, FOR ADDITIONAL COMPONENTS SEE PREVIOUS PAGES)

1шт.

56

0311334

FLOW CONTROL HYD. VALVE

(SUB FOR TH109080)

1шт.

0356607

FLOW CONTROL HYD. VALVE

(SUB FOR AT128054)

1шт.

57

0311335

SPRING

(SUB FOR TH109081)

1шт.

58

0311336

PIPE PLUG

(SUB FOR TH109082)

2шт.

0419902

FITTING PLUG

(SUB FOR TH109062) (SUB FOR AT201563)

2шт.

59

CH11570

O-RING

3шт.

CH11570

O-RING

2шт.

60

0111711

POPPET

(SUB FOR TH102728)

2шт.

61

0224411

FITTING PLUG

(SUB FOR TH102731)

2шт.

62

U17409

O-RING

26.619 X 2.946 MM (1.048" X 0.116")

2шт.

63

0311337

SPRING

(SUB FOR TH109083)

2шт.

64

4216817

PRESSURE RELIEF VALVE

(SUB FOR TH110660)

2шт.

66

0311339

WASHER

3.200 X 6 X 7.500 MM (0.126" X 0.236" X 0.295") (SUB FOR TH109086)

1шт.

0356608

SPRING

(SUB FOR AT128055)

1шт.

67

T64769

DRAIN PLUG

2шт.

68

U12547

O-RING

23.470 X 2.946 MM (0.924" X 0.116")

2шт.

70

0311340

SPRING

(SUB FOR TH109087)

2шт.

71

0311341

FITTING PLUG

(SUB FOR TH109088)

2шт.

72

4140470

O-RING

12.300 X 2.400 MM (0.484" X 0.094") (SUB FOR TH109089)

2шт.

73

PLUG

2шт.

74

0356609

WASHER

4.300 X 8 X 0.800 MM (0.169" X 0.315" X 0.031") (SUB FOR AT128056)

1шт.

Выбрано товаров: 23