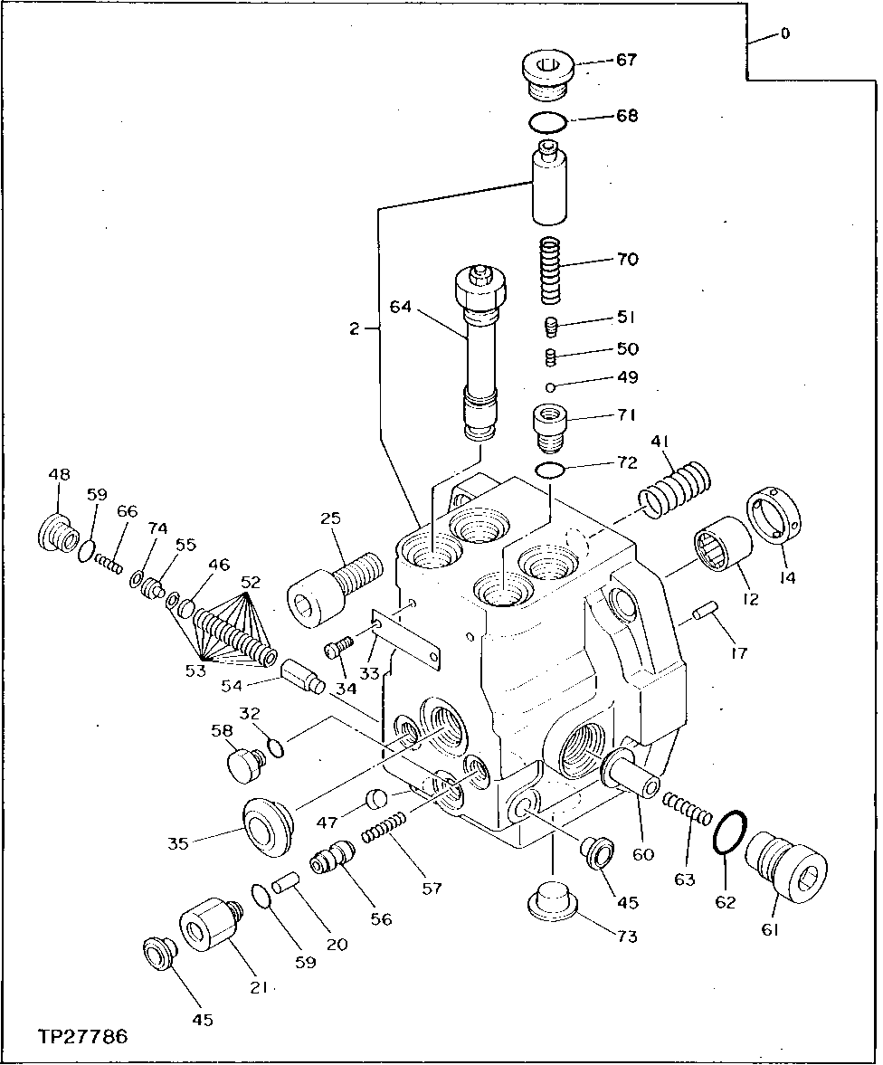
Запчасти John Deere 0D 10 - SWING MOTOR 4360 - SWING, ROTATION OR PIVOTING SYSTEM 43

Схема запчастей John Deere 0D - 10 - SWING MOTOR 4360 - SWING, ROTATION OR PIVOTING SYSTEM 43
FIT
1:1
100%

Артикул

Название

Примечание

Количество

0

MOTOR

(CONTAINS ALL ITEMS ON THIS PAGE, FOR ADDITIONAL COMPONENTS, SEE PREVIOUS AND FOLLOWING PAGES) (SUB TH111894, ALONG WITH TH109540 ELBOW AND TH100055 O-RING)

1шт.

4224977

HYDRAULIC MOTOR

(CONTAINS ALL ITEMS ON THIS PAGE, FOR ADDITIONAL COMPONENTS, SEE PREVIOUS AND FOLLOWING PAGES) (USE WITH TH109540 AND TH100055) (SUB FOR TH111894)

1шт.

2

0329602

COVER

(SUB FOR TH110256)

1шт.

12

0329609

NEEDLE BEARING

(SUB FOR TH110263)

1шт.

14

0329611

BUSHING

(SUB FOR TH110265)

1шт.

0356603

BUSHING

(SUB FOR AT131246)

1шт.

17

0311313

PIN

6 X 14.500 MM (0.236" X 0.571") (SUB FOR TH109056)

3шт.

20

44M7027

PIN

8 X 16 MM, (SUB FOR TH109057)

1шт.

21

0311315

PIPE PLUG

(SUB FOR TH109058)

1шт.

25

19M8490

SCREW

M16 X 40, (SUB FOR TH109061)

4шт.

32

M800650

PACKING

2шт.

33

IDENTIFICATION PLATE

(SUB TH111894)

1шт.

34

SCREW

(SUB TH111894)

2шт.

35

PLUG

(SUB TH111894)

1шт.

41

0329622

SPRING

(SUB FOR TH110276)

8шт.

45

PLUG

(SUB TH111894)

2шт.

46

0311326

FILTER

(SUB FOR TH109072)

1шт.

47

15H560

PIPE PLUG

1/16"

1шт.

48

94-2011

FITTING PLUG

(SUB FOR TH100434)

2шт.

0356604

PIPE PLUG

(SUB FOR AT128051)

1шт.

49

M40351

BALL

4.763 MM (3/16")

3шт.

M40351

BALL

4.763 MM (3/16")

2шт.

50

0311328

SPRING

(SUB FOR TH109074)

3шт.

0311328

SPRING

(SUB FOR TH109074)

2шт.

51

0311329

GUIDE

(SUB FOR TH109075)

3шт.

0311329

GUIDE

(SUB FOR TH109075)

2шт.

52

0311330

ORIFICE

(SUB FOR TH109076)

8шт.

53

0311331

SHIM

0.500 MM (0.020") (SUB FOR TH109077)

10шт.

54

0311332

HOUSING

(SUB FOR TH109078)

1шт.

0356605

HOUSING

(SUB FOR AT128052)

1шт.

55

0311333

SET SCREW

M10 X 12, (SUB FOR TH109079)

1шт.

0356606

SCREW

M8 X 12, (SUB FOR AT128053)

1шт.

Выбрано товаров: 32