Запчасти John Deere 0D 2 - ENGINE 400 - ENGINE 4

Схема запчастей John Deere 0D - 2 - ENGINE 400 - ENGINE 4
FIT
1:1
100%

Артикул

Название

Примечание

Количество

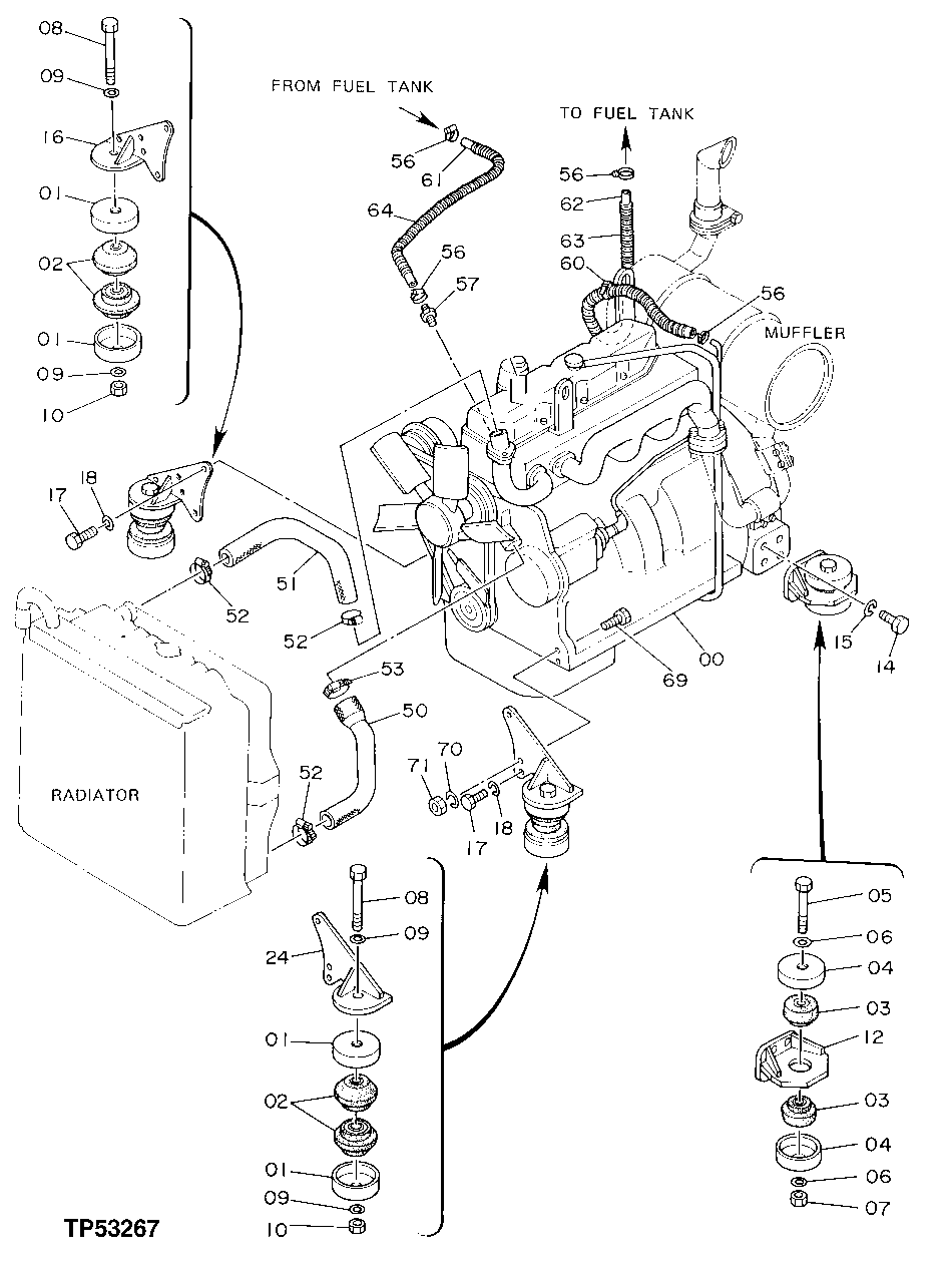
0

ENGINE

1шт.

1

4169423

RETAINER

(SUB FOR TH106409) FAN END OF ENGINE

4шт.

2

4177883

ISOLATOR

(SUB FOR TH106408)

4шт.

3

4184341

ISOLATOR

(SUB FOR TH106407)

4шт.

4

4189018

RETAINER

(SUB FOR TH109410) FLYWHEEL END OF ENGINE

4шт.

5

19M8970

CAP SCREW

M18 X 120, (SUB FOR J931804)

2шт.

6

4114406

WASHER

(SUB FOR TH100891)

4шт.

7

J951018

NUT

(SUB FOR TH100890)

2шт.

8

19M7954

CAP SCREW

M16 X 150

2шт.

9

4114405

WASHER

(SUB FOR TH101105)

4шт.

10

14M7276

NUT

M16

2шт.

12

8028462

BRACKET

(SUB FOR TH100892)

2шт.

14

19H2993

CAP SCREW

1/2" X 1-1/2"

8шт.

15

12H301

LOCK WASHER

1/2"

8шт.

16

8039332

BRACKET

(SUB FOR TH110930)

1шт.

17

19H2710

CAP SCREW

5/8" X 1-3/4"

4шт.

18

12H294

LOCK WASHER

5/8"

4шт.

24

8039331

BRACKET

(SUB FOR TH110929)

1шт.

50

3035844

RADIATOR HOSE

(SUB FOR TH106418)

1шт.

51

3035845

RADIATOR HOSE

(SUB FOR TH106419)

1шт.

52

TY22470

CLAMP

(SUB FOR AR21840, THIS APPLICATION) (SUB FOR AR65293)

3шт.

53

TY22470

CLAMP

(SUB FOR TH101905) (SUB FOR AR65293)

1шт.

56

TY22464

CLAMP

(SUB FOR TH100896 AND AT145649, THIS APPLICATION) (SUB FOR AR21836)

4шт.

57

R67293

FITTING

(SUB FOR TH100897)

1шт.

60

H77698

TIE BAND

(SUB FOR T44946)

1шт.

61

HOSE

( TH106420 NO LONGER AVAILABLE) (CUT TO LENGTH FROM M87571 BULK MATERIAL)

1шт.

62

HOSE

( TH106421 NO LONGER AVAILABLE) (CUT TO LENGTH FROM M87571 BULK MATERIAL)

1шт.

63

T83427

CONDUIT

1шт.

64

OIL TUBE

( TH106423 NO LONGER AVAILABLE) (CUT TO LENGTH FROM T83427 BULK MATERIAL)

1шт.

69

19H2488

CAP SCREW

5/16" X 5/8"

2шт.

70

12H294

LOCK WASHER

5/8"

2шт.

71

14H1039

NUT

5/8"

2шт.

Выбрано товаров: 32