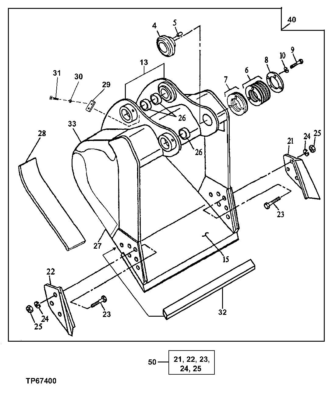
Запчасти John Deere 50 118 - EXTREME DUTY BUCKET 3302 BUCKETS, TEETH, SHANKS AND SIDECUTTERS

Схема запчастей John Deere 50 - 118 - EXTREME DUTY BUCKET 3302 BUCKETS, TEETH, SHANKS AND SIDECUTTERS
FIT
1:1
100%

Артикул

Название

Примечание

Количество

4

AT189907

Bushing

1шт.

5

C31732

Dowel Pin

(F)

2шт.

6

AT189908

Shim

6шт.

7

AT189910

Shim

2шт.

8

AT189909

Retainer

1шт.

9

19M7597

Cap Screw

M20 X 50

4шт.

10

12M7070

Lock Washer

20 mm

4шт.

13

10024

Pivot

(F) (36 INCH - 2.74 CUBIC YARD B UCKET) (BUCKET EAR BLANK ASSEMBLY)

1шт.

10025

Pivot

(F) (42 INCH - 3.34 CUBIC YARD B UCKET) (BUCKET EAR BLANK ASSEMBLY)

1шт.

10026

Pivot

(F) (48 INCH - 3.95 CUBIC YARD B UCKET) (BUCKET EAR BLANK ASSEMBLY)

1шт.

10027

Pivot

(F) (54 INCH - 4.57 CUBIC YARD B UCKET) (BUCKET EAR BLANK ASSEMBLY)

1шт.

10028

Pivot

(F) (60 INCH - 5.20 CUBIC YARD B UCKET) (BUCKET EAR BLANK ASSEMBLY)

1шт.

10030

Pivot

(F) (72 INCH - 6.49 CUBIC YARD B UCKET) (BUCKET EAR BLANK ASSEMBLY)

1шт.

15

C330196

Cutting Edge

(F) (36 INCH - 2.74 CUBIC YARD BUCKET)

1шт.

C330197

Cutting Edge

(F) (42 INCH - 3.34 CUBIC YARD BUCKET)

1шт.

C330198

Cutting Edge

(F) (48 INCH - 3.95 CUBIC YARD BUCKET)

1шт.

C330199

Cutting Edge

(F) (54 INCH - 4.57 CUBIC YARD BUCKET)

1шт.

C330200

Cutting Edge

(F) (60 INCH - 5.20 CUBIC YARD BUCKET)

1шт.

C330202

Cutting Edge

(F) (72 INCH - 6.49 CUBIC YARD BUCKET)

1шт.

21

Cutting Edge

(SUB AT189734)

1шт.

22

Cutting Edge

(SUB AT189734)

1шт.

23

Bolt

(SUB AT189734)

ARшт.

24

Lock Washer

(SUB AT189734)

ARшт.

25

Nut

(SUB AT189734)

ARшт.

26

Bushing

3шт.

27

C330437

Plate

(F)

2шт.

28

C624343

Bar

(F) (36 INCH - 2.74 CUBIC YARD BUCKET)

1шт.

C624344

Bar

(F) (42 INCH - 3.34 CUBIC YARD BUCKET)

1шт.

C624345

Bar

(F) (48 INCH - 3.95 CUBIC YARD BUCKET)

1шт.

C624346

Bar

(F) (54 INCH - 4.57 CUBIC YARD BUCKET)

1шт.

C624347

Bar

(F) (60 INCH - 5.20 CUBIC YARD BUCKET)

1шт.

C624349

Bar

(F) (72 INCH - 6.49 CUBIC YARD BUCKET)

1шт.

29

AT189911

Retainer

1шт.

30

12M7068

Lock Washer

14 mm

2шт.

31

19M6579

Cap Screw

M14 X 50

2шт.

32

C33125

Bar

(F) (36 INCH - 2.74 CUBIC YARD BUCKET)

8шт.

C33066

Bar

(F) (42 INCH - 3.34 CUBIC YARD BUCKET)

8шт.

C33067

Bar

(F) (48 INCH - 3.95 CUBIC YARD BUCKET)

8шт.

C33068

Bar

(F) (54 INCH - 4.57 CUBIC YARD BUCKET)

8шт.

C33069

Bar

(F) (60 INCH - 5.20 CUBIC YARD BUCKET)

8шт.

C33071

Bar

(F) (72 INCH - 6.49 CUBIC YARD BUCKET)

8шт.

33

C330438

Plate

(F)

2шт.

40

Excavator Bucket

(36 INCH - 2.74 CUBIC YARD) (AVAILABLE T OOTH ASSEMBLIES ON SEPARATE PAGE) ( AT18 9775 NLA) (USE WITH 11'10" AND 14'5" ARM)

1шт.

Excavator Bucket

(42 INCH - 3.34 CUBIC YARD) (AVAILABLE T OOTH ASSEMBLIES ON SEPARATE PAGE) ( AT18 9776 NLA) (USE WITH 11'10" AND 14'5" ARM)

1шт.

Excavator Bucket

(48 INCH - 3.95 CUBIC YARD) (AVAILABLE T OOTH ASSEMBLIES ON SEPARATE PAGE) ( AT18 9777 NLA) (USE WITH 11'10" AND 14'5" ARM)

1шт.

Excavator Bucket

(54 INCH - 4.57 CUBIC YARD) (AVAILABLE T OOTH ASSEMBLIES ON SEPARATE PAGE) ( AT18 9778 NLA) (USE WITH 11'10" AND 14'5" ARM)

1шт.

Excavator Bucket

(60 INCH - 5.20 CUBIC YARD) (AVAILABLE T OOTH ASSEMBLIES ON SEPARATE PAGE) ( AT18 9779 NLA) (USE WITH 11'10" AND 14'5" ARM)

1шт.

Excavator Bucket

( AT189780 NO LONGER AVAILABLE) (72 INCH - 6.49 CUBIC YARD) (AVAILABLE TO OTH ASSEMBLIES ON SEPARATE PAGE) WHO LEGOODS (USE WITH 11'10" AND 14'5" AR M)

1шт.

50

Kit

SIDE CUTTER ( AT189734 NLA)

1шт.

Выбрано товаров: 49