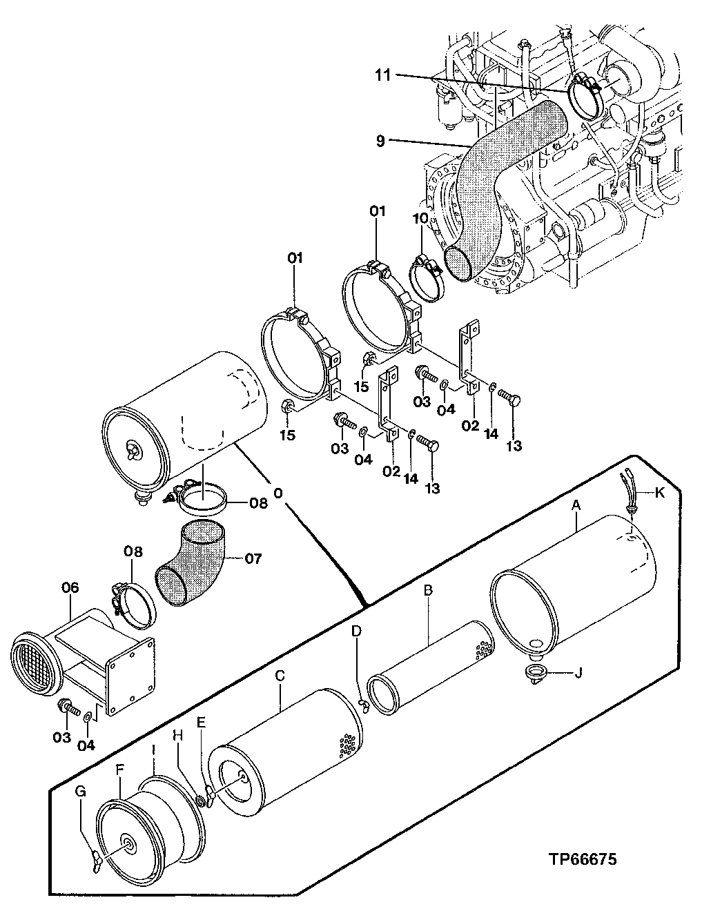
Запчасти John Deere 50 25 - Air Cleaner 0520 Intake System

Схема запчастей John Deere 50 - 25 - Air Cleaner 0520 Intake System
FIT
1:1
100%

Артикул

Название

Примечание

Количество

0

4220786

Air Cleaner

(SUB FOR AT179377)

1шт.

0A

Housing

1шт.

0B

AT179370

Filter Element

(INNER)

1шт.

0C

AT179371

Filter Element

(OUTER)

1шт.

0D

AH20849

Wing Nut

11.125 mm (7/16")

1шт.

0E

4257360

Nut

(SUB FOR AT200998)

1шт.

0F

4257361

Cover

(SUB FOR AT217086)

1шт.

0G

T251578

Wing Nut

(SUB FOR AR73234, THIS APPLICATION)

1шт.

0H

P46402

Snap Ring

1шт.

0I

4257362

Gasket

(SUB FOR AT200999)

1шт.

0J

4152863

Flow Control Hyd. Valve

(SUB FOR TH111700)

1шт.

0K

4224238

Indicator

(SUB FOR AT131922)

1шт.

1

4221470

Clamp

(SUB FOR AT178200)

2шт.

2

4346218

Bracket

(SUB FOR TH4346218)

2шт.

3

19M8011

Cap Screw

M12 X 30

10шт.

12M7058

Lock Washer

12 mm (SUB FOR 12M7067)

10шт.

4

4086891

Washer

13 X 26 X 3.200 mm (0.512" X 1.0 24" X 0.126") (SUB FOR TH104166)

10шт.

6

7029780

Hose Support

(SUB FOR TH7029780)

1шт.

7

4174459

Suction Hose

(SUB FOR TH4174459)

1шт.

8

4287489

Hose Clamp

(SUB FOR TH4287489)

2шт.

9

3090531

Hose

(SUB FOR 3088792 AND 3071200)

1шт.

10

4312517

Hose Clamp

(SUB FOR TH4312517)

1шт.

11

4293172

Hose Clamp

(SUB FOR TH4293172)

1шт.

13

19M7662

Cap Screw

M10 X 30

4шт.

14

12M7066

Lock Washer

10 mm

4шт.

15

14M7274

Nut

M10

4шт.

Выбрано товаров: 26