Запчасти John Deere 90 2 - AIR COMPRESSOR 2261 - PNEUMATIC SYSTEMS 22

Схема запчастей John Deere 90 - 2 - AIR COMPRESSOR 2261 - PNEUMATIC SYSTEMS 22
FIT
1:1
100%

Артикул

Название

Примечание

Количество

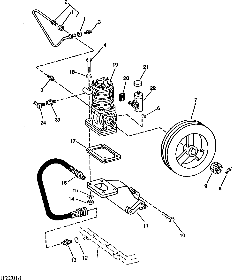
1

R51936

SEALING WASHER

2шт.

2

RE16215

OIL LINE

1шт.

3

R63604

FITTING

2шт.

4

19M7358

CAP SCREW

M10 X 40

4шт.

5

COMPRESSOR

(SUB RE18628)

1шт.

6

SHAFT KEY

1шт.

7

R79853

PULLEY

1шт.

8

COTTER PIN

1шт.

9

LOCK NUT

1шт.

10

19H2735

CAP SCREW

2шт.

11

R79988

BRACKET

1шт.

12

R26906

O-RING

1шт.

13

R27270

FITTING

1шт.

14

14M7274

NUT

M10

4шт.

15

12M7006

LOCK WASHER

6 MM

4шт.

16

AE27735

HYDRAULIC HOSE

7/8" X 457 MM (18") X 7/8"

1шт.

17

R82255

GASKET

1шт.

18

24H1305

WASHER

13/32" X 13/16" X 0.065"

4шт.

19

RE28820

COMPRESSOR

(SUB FOR RE18628)

1шт.

20

R82256

GASKET

1шт.

21

RE21149

COVER

1шт.

22

RE18629

GOVERNOR

1шт.

23

15H586

ADAPTER FITTING

3/8"

1шт.

24

T18250

HOSE FITTING

1шт.

Выбрано товаров: 24