Запчасти John Deere 90 2 - BUCKET 3302 - EXCAVATOR 33

Схема запчастей John Deere 90 - 2 - BUCKET 3302 - EXCAVATOR 33
FIT
1:1
100%

Артикул

Название

Примечание

Количество

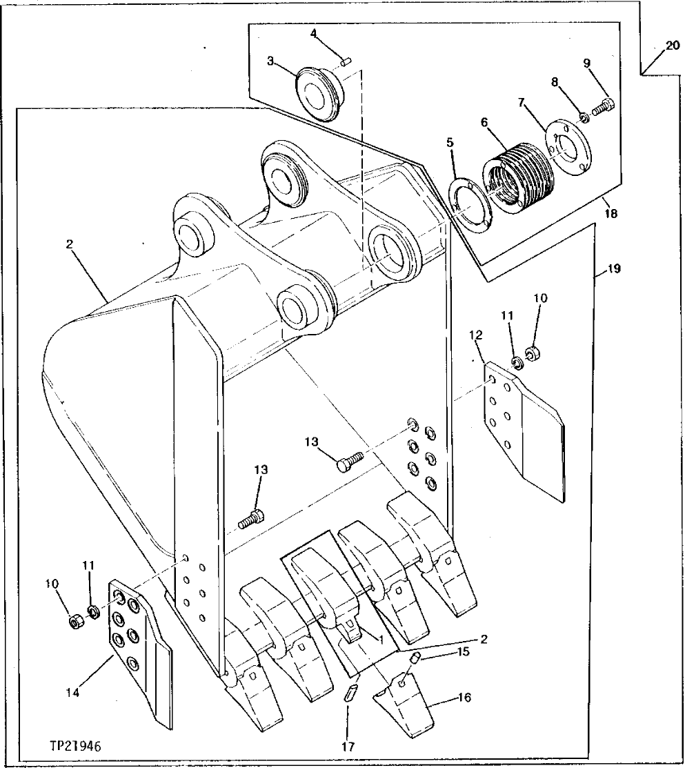
1

4045168

BUCKET TOOTH ADAPTER

(SUB FOR TH102450)

5шт.

2

EXCAVATOR BUCKET

1шт.

3

4144505

BUSHING

(K) (SUB FOR TH102459)

1шт.

4

4179110

PIN

(K) (SUB FOR TH103520)

1шт.

5

TH102461

SHIM

(K) 0.5 MM

2шт.

6

TH102460

WASHER

(K) 1.0 MM

6шт.

7

TH102463

PLATE

(K)

1шт.

8

12H294

LOCK WASHER

(K) 5/8", (SUB FOR TH100466)

3шт.

9

19M7489

CAP SCREW

(K) M16 X 45, (SUB FOR TH101724)

3шт.

10

J951022

NUT

(SUB FOR TH102457)

12шт.

11

12H245

LOCK WASHER

7/8", (SUB FOR TH101871) (SUB FOR 12H352)

12шт.

12

2021232

CUTTING EDGE

RIGHT, (SUB FOR TH102454) (ALSO ORDER (6) 19M8191) (SUB FOR TH109819)

1шт.

13

19M8191

CAP SCREW

M22 X 60, (USE WITH TH102454 AND TH102455)

12шт.

19M8191

CAP SCREW

M22 X 60, (USE WITH TH109819 AND TH109820)

12шт.

14

2021233

CUTTING EDGE

LEFT, (SUB FOR TH102455) (ALSO ORDER (6) 19M8191) (SUB FOR TH109820)

1шт.

15

T3540LK

LOCK

(SUB FOR T33146)

5шт.

16

T40S

TOOTH

(SUB FOR T33187)

5шт.

17

T40PN

PIN FASTENER

(SUB FOR T33188)

5шт.

18

9058132

ADJUSTER

(SUB FOR TH102458)

1шт.

19

EXCAVATOR BUCKET

1шт.

20

EXCAVATOR BUCKET

( TH101659 NO LONGER AVAILABLE)

1шт.

Выбрано товаров: 21