Запчасти John Deere 90 12 - BUCKET, 1 CUBIC YARD 3302 - EXCAVATOR 33

Схема запчастей John Deere 90 - 12 - BUCKET, 1 CUBIC YARD 3302 - EXCAVATOR 33
FIT
1:1
100%

Артикул

Название

Примечание

Количество

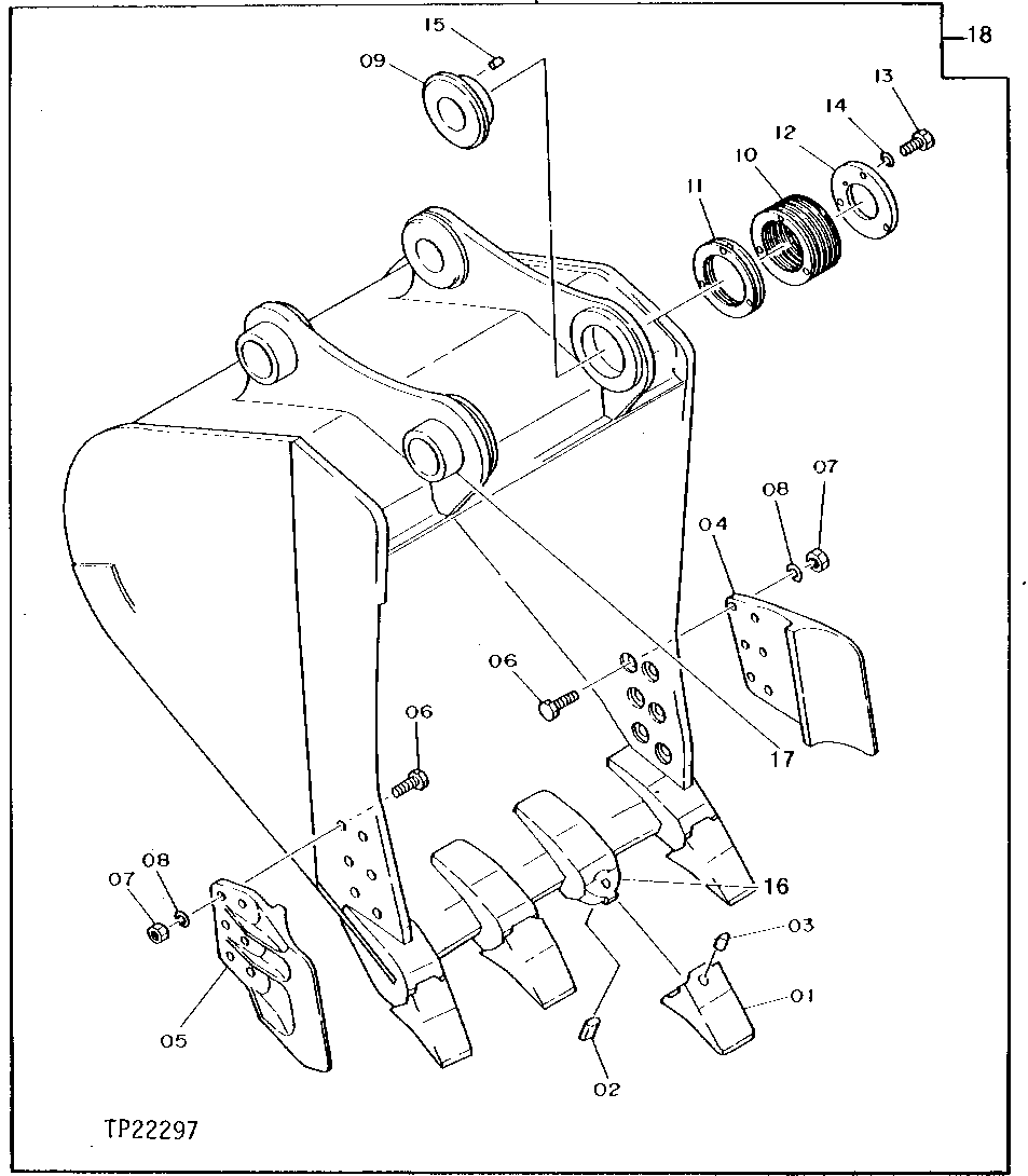
1

T40S

TOOTH

(SUB FOR TH109818 OR T33187)

4шт.

2

T40PN

PIN FASTENER

(SUB FOR T33188)

4шт.

3

T3540LK

LOCK

(SUB FOR T33146)

4шт.

4

2021232

CUTTING EDGE

(SUB FOR TH109819)

1шт.

5

2021233

CUTTING EDGE

(SUB FOR TH109820)

1шт.

6

19M8191

CAP SCREW

M22 X 60

12шт.

7

J951022

NUT

(SUB FOR TH102457)

12шт.

8

12H245

LOCK WASHER

7/8", (SUB FOR 12H352)

12шт.

9

4144505

BUSHING

(K) (SUB FOR TH102459)

1шт.

10

TH102460

WASHER

(K)

6шт.

11

TH102461

SHIM

(K)

2шт.

12

TH102463

PLATE

(K)

1шт.

13

19M7489

CAP SCREW

(K) M16 X 45

3шт.

14

12H294

LOCK WASHER

(K) 5/8"

3шт.

15

4179110

PIN

(K) (SUB FOR TH103520)

1шт.

16

4187941

BUCKET TOOTH ADAPTER

(SUB FOR TH109817)

4шт.

17

TH102409

BUSHING

BUSHING

2шт.

18

EXCAVATOR BUCKET

(SUB FOR TH103511) ( TH108188 NO LONGER AVAILABLE)

1шт.

Выбрано товаров: 0